Процесс подключения
Ниже приведена схема подключения ТР с обозначениями. На ней можно найти сокращение КК1.1. Оно обозначает контакт, который в нормальном состоянии является замкнутым. Силовые контакты, через которые ток поступает на двигатель обозначены сокращением KK1. Автоматический выключатель, который находится в ТР обозначен как QF1. При его задействовании происходит подача питания по фазам. Фаза 1 управляется отдельной клавишей, которая обозначена маркировкой SB1. Она выполняет аварийную ручную остановку в случае возникновения непредвиденной ситуации. От нее контакту уходит на клавишу, которая обеспечивает пуск и обозначена сокращением SB2. Дополнительный контакт, который отходит от клавиши пуска, находится в дежурном состоянии. Когда выполняется запуск, тогда ток от фазы через контакт поступает на магнитный пускатель через катушку, которая обозначается KM1. Происходит срабатывание пускателя. При этом те контакты, которые в нормальном положении являются разомкнутыми замыкаются и наоборот.

Когда замыкаются контакты, которые на схеме находятся под сокращением KM1, тогда происходит включение трех фаз, которые пускают ток через тепловое реле на обмотки двигателя, который включается в работу. Если сила тока будет расти, тогда из-за воздействия контактных площадок ТР под сокращением KK1 произойдет размыкание трех фаз и пускатель обесточивается, а соответственно останавливается и двигатель. Обычная остановка потребителя в принудительном режиме происходит посредством воздействия на клавишу SB1. Она разрывает первую фазу, которая прекратит подачу напряжения на пускатель и его контакты разомкнутся. Ниже на фото можно увидеть импровизированную схему подключения.

Есть еще одна возможная схема подключения этого ТР. Разница заключается в том, что контакт реле, который в нормальном состоянии является замкнутым при срабатывании разрывает не фазу, а ноль, который уходит на пускатель. Ее применяют чаще всего в силу экономичности при выполнении монтажных работ. В процессе нулевой контакт подводится к ТР, а с другого контакта монтируется перемычка на катушку, которая запускает контактор. При срабатывании защиты происходит размыкание нулевого провода, что приводит к отключению контактора и двигателя.
Реле может быть смонтировано в схему, где предусмотрено реверсивное движение двигателя. От схемы, которая была приведена выше различие заключается в том, что присутствует НЗ контакт, в реле, которое обозначено KK1.1.

Если реле срабатывает, тогда происходит разрыв нулевого провода контактами под обозначением KK1.1. Пускатель обесточивается и прекращает питания двигателя. В экстренной ситуации кнопка SB1 поможет быстро разорвать цепь питания, чтобы остановить двигатель. Видео о подключении ТР можно посмотреть ниже.
Источники
- https://6watt.ru/elektrooborudovanie/rele-i-datchiki/teplovoe-rele-dlya-elektrodvigatelya
- https://electricremont.ru/vybor-teplovogo-rele-dlya-elektrodvigatelya.html
- https://fb.ru/article/339859/teplovoe-rele-dlya-elektrodvigatelya-shema-printsip-deystviya-tehnicheskie-harakteristiki
- https://2proraba.com/elektrika/teplovoe-rele-dlya-elektrodvigatelya-sxema-podklyucheniya.html
Особенности монтажа
Как правило, установку теплового реле производят совместно с магнитным пускателем, который и осуществляет коммутацию и запуск электропривода. Однако существуют также и приборы с возможностью установки как отдельное устройство рядом на монтажной панели или DIN рейке, такие как ТРН и РТТ. Все зависит от наличия нужного номинала в ближайшем магазине, складе или в гараже в «стратегических запасах».
Наличие у теплового реле ТРН только двух входящих подключений не должно вас пугать, поскольку фазы три. Неподключенный провод фазы уходит с пускателя на двигатель, минуя реле. Ток в электродвигателе меняется пропорционально во всех трех фазах, поэтому контролировать достаточно любые две из них. Собранная конструкция, пускатель с теплушкой ТРН будет выгладить так:
Или так с РТТ:

Рассмотрим схему из статьи в которой трехфазный двигатель вращается в одну сторону и управление включением осуществляется с одного места двумя кнопками СТОП И ПУСК.

Автомат включен и на верхние клеммы пускателя поступает напряжение. После нажатия на кнопку ПУСК, катушка пускателя А1 и А2 оказывается подключена к сети L2 и L3. В данной схеме используется пускатель с катушкой на 380 вольт, вариант подключения с однофазной катушкой 220 вольт ищите в нашей отдельной статье (ссылка выше).
Катушка включает пускатель и замыкаются дополнительные контакты No(13) и No(14), теперь можно отпустить ПУСК, контактор останется включенным. Данная схема называется «пуск с самоподхватом». Теперь для того чтобы отключить двигатель от сети необходимо обесточить катушку. Проследив по схеме путь тока, видим что это может произойти при нажатии СТОП или размыкании контактов теплового реле (выделен красным прямоугольником).
То есть, при возникновении внештатной ситуации, когда теплушка сработает, она разорвет цепь схемы и снимет пускатель с самоподхвата, обесточив двигатель от сети. При срабатывании данного устройства контроля тока, перед повторным запуском необходимо осмотреть механизм, для выяснения причины возникновения отключения, и не включать до ее устранения. Часто причиной срабатывания является высокая внешняя температура окружающего воздуха, данный момент необходимо учитывать при эксплуатации механизмов и их настройке.
Сфера применения в домашнем хозяйстве тепловых реле не ограничивается только самодельными станками и прочими механизмами. Правильно было бы использовать их в системе контроля тока насоса системы отопления. Специфика работы циркуляционного насоса в том, что на лопастях и улитке образуется известковый налет, который может стать причиной заклинивания мотора и выхода его из строя. Используя приведенные схемы подключения, можно собрать блок контроля и защиты насоса. Достаточно установить в цепи питания нужный номинал теплушки и подключить контакты.
Кроме того будет интересна схема подключения теплового реле через трансформаторы тока, для мощных двигателей, таких как насос системы водополива для дачных поселков или фермерских хозяйств. При установке трансформаторов в цепи питания, учитывается коэффициент трансформации, к примеру 60/5 это при токе через первичную обмотку в 60 ампер, на вторичной обмотке он будет равен 5А. Применение такой схемы позволяет сэкономить на комплектующих, при этом не потеряв в эксплуатационных характеристиках.

Как видно, красным цветом выделены трансформаторы тока, который подключены к реле контроля и амперметру для визуальной наглядности происходящих процессов. Трансформаторы подключены схемой звезда, с одной общей точкой. Такая схема не представляет из себя больших трудностей в реализации, поэтому вы можете самостоятельно ее собрать и подключить к сети.
Напоследок рекомендуем просмотреть видео, в котором наглядно показывается процесс подключения теплового реле к магнитному пускателю для защиты электродвигателя:
Вот и все, что вы должны знать о подключении теплового реле своими руками. Как вы видите, монтаж не представляет особой сложности, главное правильно составить схему подсоединения всех элементов в цепи!
Будет интересно прочитать:
Особенности теплового реле
Но, в отличие от автоматического защитного выключателя, ТР не размыкает силовые цепи питания, а разрывает цепь самоподхвата магнитного пускателя. Нормально замкнутый контакт защитного устройства действует аналогично кнопке «Стоп», и подключается последовательно с ней.

Поскольку тепловое реле подключается сразу же после магнитного пускателя, то нет нужды дублировать функции контактора при аварийном размыкании цепей. При таком выборе реализации защиты достигается ощутимая экономия материала для контактных силовых групп – значительно проще коммутировать небольшой ток в одной цепи управления, чем разрывать три контакта под большой токовой нагрузкой.
Как правило, в тепловом реле присутствует два контакта – нормально замкнутый и нормально разомкнутый. При срабатывании устройства данные контакты одновременно меняют свое состояние.

Характеристики теплового реле
Выбор ТР следует производить, сопоставляя типичные характеристики данного защитного устройства соответственно имеющейся нагрузке и условиям эксплуатации электродвигателя:
Схема подключения
В большинстве схем при подключениях теплового реле к магнитному пускателю используется нормально замкнутый контакт, который подключается последовательно с кнопкой «Стоп» пульта управления. Обозначением данного контакта является сочетание букв NC (normal connected) или НЗ (нормально замкнутый).
Схема подключения ТР к контактору в магнитном пускателе
Нормально разомкнутый контакт (NO) при данной схеме подключения может использоваться для сигнализации о срабатывании тепловой защиты электродвигателя. В более сложных автоматических схемах управления он может использоваться для инициализации аварийного алгоритма останова конвейерной цепи оборудования.
Для самостоятельного подключения теплового реле для защиты электродвигателя, не имея опыта работы с подобным оборудованием, будет правильно сначала ознакомиться с принципом работы и подключением магнитного пускателя на данном сайте.
В независимости от типа подключения электродвигателя и количества контакторов магнитного пускателя (прямой и реверсивный запуск), внедрение теплового реле в схему является достаточно простым. Оно устанавливается после контакторов перед электродвигателем, а размыкающийся (нормально замкнутый) контакт подключается последовательно с кнопкой «Стоп».

Элементы подключения, управления и настройки ТР
По ГОСТ клеммы контактов управления имеют обозначение 95-96 (нормально замкнутый) и 97-98 (нормально разомкнутый).

На данном рисунке показана схема теплового реле с обозначением выводов и элементов управления. Кнопка «Тестирование служит для проверки работоспособности механизма.

Кнопка «Стоп» служит для ручного выключения устройства защиты.

Функция «Повторный взвод» позволяет заново запустить электродвигатель после срабатывания защиты. Многие ТР поддерживают два варианта – автоматический (возвращение в исходное состояние происходит после остывания биметаллических пластин) и ручной взвод, требующий непосредственного действия оператора для нажатия соответствующей кнопки.

Уставка тока срабатывания позволяет сделать выбор значения перегрузки, при котором реле отключит катушку контактора, который обесточит электродвигатель.

При выборе устройства защиты нужно помнить, что по аналогии с автоматическим выключателем у тепловых реле также имеется времятоковая характеристика. То есть, при превышении уставленного тока на некоторое значение, отключение произойдет не сразу, а по истечению некоего времени. Быстрота срабатывания будет зависеть от кратности превышения тока уставки.

Разные графики соответствуют характеру нагрузки, количеству фаз и температурному режиму.

Как видно из графиков, при двукратном превышении нагрузки может пройти больше минуты времени, прежде, чем защита сработает. Если же выбрать ТР недостаточно мощным, то двигатель может не успеть разогнаться при многократном стартовом превышении уставки тока перегрузки.
Видео: Старое двухполюсное тепловое реле для асинхронного электродвигателя. Устройство и схема подключения.Скачать

Видео: Как подключаю 3-х фазный двигатель через магнитный пускатель с тепловым реле.Скачать

Также у некоторых тепловых реле имеется флажок срабатывания защиты.

Защитное закрывающееся стекло служит одновременно для нанесения маркировки и защиты настроек при помощи пломбирования,

Нюансы при установке прибора
На скорость срабатывания теплового модуля могут повлиять не только токовые перегрузки, но и показатели внешней температуры. Защита сработает даже в условиях отсутствия перегрузок.
Бывает и так, что под воздействием принудительной вентиляции двигатель подвержен тепловой перегрузке, но защита не срабатывает.
Чтобы избежать таких явлений, нужно следовать рекомендациям специалистов:
- При выборе реле ориентироваться на максимально допустимую температуру срабатывания.
- Защиту монтировать в одном помещении с защищаемым объектом.
- Для установки выбирать места, где нет источников тепла или вентиляционных устройств.
- Нужно настраивать тепловой модуль, ориентируясь на реальную температуру окружения.
- Лучший вариант — наличие в конструкции реле встроенной термокомпенсации.
Дополнительной опцией термореле является защита при обрыве фазы или полностью питающей сети. Для трехфазных моторов этот момент особо актуален.
Ток в тепловом реле движется последовательно через его нагревательный модуль и дальше к двигателю. С обмоткой пускателя прибор соединяют дополнительные контакты
При неполадках в одной фазе две остальные принимают на себя ток большей величины. В результате быстро происходит перегрев, а далее — отключение. При неэффективной работе реле может выйти из строя и двигатель, и проводка.
Резюме
Схемы, на которых будет изображаться принцип подключения реле к контактору, могут иметь другие буквенные или цифровые обозначения. Чаще всего их расшифровка приводится внизу, но принцип всегда остается одинаковым. Можно немного попрактиковаться, собрав всю схему с потребителем в виде лампочки или небольшого двигателя. С помощью тестовой клавиши можно будет отработать нестандартную ситуацию. Клавиши запуска и остановки позволят проверить работоспособность всей схемы. При этом стоит обязательно учитывать тип пускателя и то, в каком нормальном состоянии находятся его контакты. Если есть определенные сомнения, тогда лучше посоветоваться с электромонтажником, который имеет опыт в сборке таких схем.
Преимущества реализации такой схемы подключения
- Коммутатор и манипулятор управления (кнопка) могут быть разнесены. То есть, управляющий элемент располагается в непосредственной близости от оператора, а массивный коммутатор можно разместить в любом удобном месте.
- Возможно управление с помощью ножного привода (руки остаются свободными). Это позволяет лучше контролировать электроустановку и удерживать обрабатываемую деталь.
- Схема подключения выносного пускателя позволяет разместить устройства безопасности. Например, защиту от короткого замыкания или тепловые реле, срабатывающие при температурных перегрузках. Кроме того, такая схема позволяет реализовать механическую защиту: при перемещении подвижных частей электроустановки до критической отметки, срабатывает концевой выключатель, и магнитный пускатель размыкается.
- Дистанционное расположение управляющих элементов позволяет расположить аварийную кнопку в удобном месте, что повышает безопасность эксплуатации.
- Есть возможность установить единый кнопочный пост для управления большим количеством магнитных пускателей при расположении электроустановок в разных местах и на большом удалении. Схема подключения через такой пост предполагает использование слаботочной управляющей проводки, что экономит средства на приобретение дорогостоящих силовых кабелей.
- Для управления одним пускателем можно установить несколько кнопочных постов. В таком случае управление электроустановкой с каждого поста будет равнозначным. То есть, можно запустить электродвигатель с одной точки, а выключить с другой. Схема подключения нескольких кнопочных постов на иллюстрации:
- Магнитные контакторы можно интегрировать в электронную систему управления. В этом случае команды на пуск и отключение электроустановок подаются автоматически, по заданному алгоритму. Организовать такую систему с помощью механических (ручных) включателей невозможно.
Фактически, такая коммутация представляет собой релейную схему.
Виды тепловых реле
Существуют следующие модификации устройств – РТЛ, ТРН, РТТ и ТРП.
Особенности ТРП-реле. Устройство этого типа подходит для применения в условиях повышенной механической нагрузки. Оно обладает ударопрочным корпусом и вибростойким механизмом. Чувствительность элемента автоматики не зависит от температуры окружающего пространства, так как точка срабатывания лежит за пределом в 200 градусов по Цельсию. В основном применяют с двигателями асинхронного типа трехфазного питания (предел по току – 600 ампер и питание – до 500 вольт) и в цепях тока постоянного величиной до 440 вольт. Схема реле предусматривает специальный нагревательный элемент для передачи тепла пластине, а также плавную регулировку изгиба последней. За счет этого можно менять предел срабатывания механизма до 5 %.

- Особенности РТЛ-реле. Механизм устройства выполнен таким образом, что позволяет защищать нагрузку электродвигателя от перегрузок по току, а также в тех случаях, когда произошел обрыв фазы, и возникла фазовая асимметрия. Рабочий диапазон по току лежит в пределах 0.10-86.00 ампер. Бывают модели, совмещенные с пускателями либо нет.
- Особенности РТТ-реле. Назначением является защита двигателей асинхронных, где ротор коротко замкнут, от токовых скачков, а также в случаях несоответствия фаз. Бывают встроены в магнитные пускатели и в схемы, управляемые электроприводами.
Обзор моделей
В таблице приведен краткий сравнительный обзор моделей тепловых реле с указанием основных параметров и примерной стоимости.
| Наименование модели | Характеристики | Примерная стоимость, руб. |
| РТЛ 10А | Переменный ток до 660В и частотой 50Гц или 60Гц Постоянный ток до 440В | 320 |
| РТЭ-1304 | Номинальный ток 0,4-0,63 А Частота тока 50 Гц Напряжение 660 В | 340 |
| РТТ5-10-1 | Реле перегрузки Род тока переменный Диапазон установок 5,00 А | 490 |
| ТРН10 | Отключаемый ток: переменный — 3 А при 380 В; 1 А при 660В | 270 |
| РТК | Напряжение: 220 В ток — 1,3 А | 440 |
Тепловое реле перегрузки РТЛ-1010М с уровнем пыле- и влагозащиты IP20
Схема подключения реверсивного магнитного пускателя
Фактически это два магнитных пускателя, объединенные электрически и механически, дальше подробнее.
Реверсивное управление электродвигателем
Реверсивный пускатель нужен тогда, когда необходимо, чтобы двигатель вращался поочередно в обоих направлениях.
Смена направления вращения реализуется общеизвестным способом — меняются местами любые две фазы. Посмотрите на схему реверсивного включения двигателя ниже:

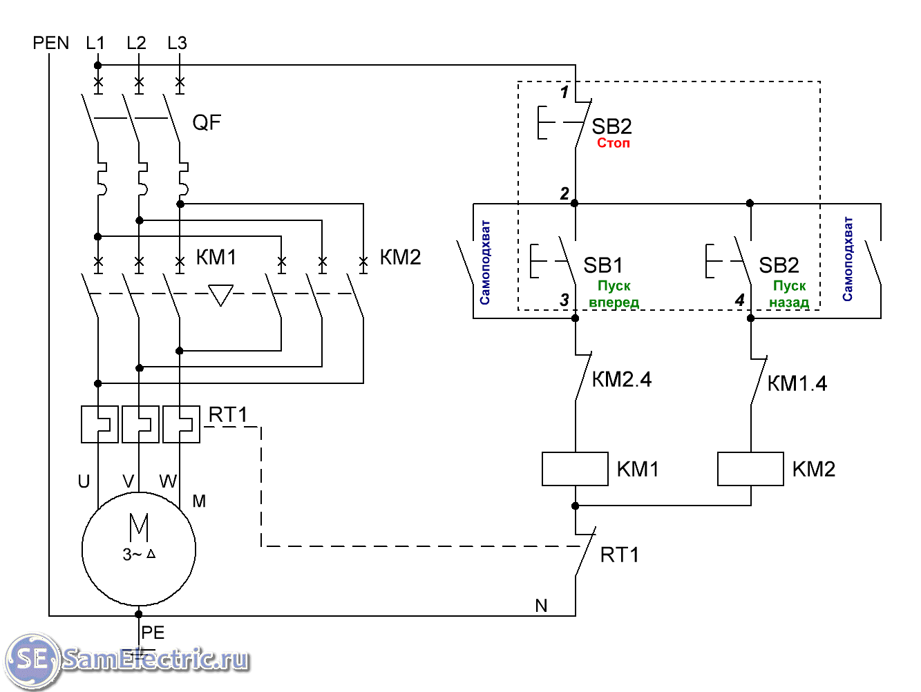
9. Схема подключения реверсивного магнитного пускателя на 220В с управлением от кнопок. ПРАКТИЧЕСКАЯ СХЕМА
Когда включен пускатель КМ1, это будет «правое» вращение. Когда включается КМ2 — первая и третья фазы меняются местами, движок будет крутиться «влево». Включение пускателей КМ1 и КМ2 реализуется разными кнопками «Пуск вперед
» и «Пуск назад
«, выключение — одной, общей кнопкой «Стоп
» , как и в схемах без реверса.
Обратите пристальное внимание на треугольник между силовыми контактами КМ1 и КМ2. Он означает «защиту от дурака». Может произойти так, что по какой-то причине включатся оба пускателя сразу
Произойдёт короткое замыкание между фазами L1 и L3. Можно сказать, «Ну и что, у нас ведь есть мотор-автомат QF, он нас спасёт!» А если не спасёт? А пока он будет спасать, выгорят контакты пускателей!
Может произойти так, что по какой-то причине включатся оба пускателя сразу. Произойдёт короткое замыкание между фазами L1 и L3. Можно сказать, «Ну и что, у нас ведь есть мотор-автомат QF, он нас спасёт!» А если не спасёт? А пока он будет спасать, выгорят контакты пускателей!
Поэтому реверсивный пускатель должен иметь механическую защиту от одновременного включения двух его половин. А если он состоит из двух отдельных пускателей, между ними ставится специальный механический блокиратор.
Теперь посмотрите на контакты КМ2.4 и КМ1.4, стоящие в цепях питания катушек пускателей. Это — электрическая защита от того же дурака. Например, если включен КМ1, его НЗ контакт КМ1.4 разомкнут, и если наш дурак будет со всей своей дури жать на обе кнопки «Пуск» сразу, ничего не получится — двигатель будет слушаться той кнопки, которая нажата раньше.
Механическая и электрическая защиты в схеме подключения реверсивного пускателя должны быть всегда, они дополняют друг друга. Не ставить одну либо другую — моветон среди электриков.
Для реализации электрической блокировки одновременного включения и самоподхвата на каждый пускатель надо, кроме силовых, ещё один НЗ (блокировка) и НО (самоподхват). Но поскольку пятого контакта, как правило, в пускателях нет, приходится ставить доп. контакт. Например, для пускателя типа ПМЛ используют приставку ПКИ. А если, как в схеме 8, используется контроллер, самоподхват не нужен, и достаточно одного НЗ контакта на каждое направление вращения.
здесь .
Как подключить тепловое реле
Между магнитным пускателем и асинхронным электродвигателем подключается последовательно тепловое реле, которое подбирается под рабочий ток каждого конкретного двигателя. Тепловое реле защищает мотор от поломки и работы в аварийном режиме, например пропадании одной из трех фаз.
Тепловое реле подключается к выходу с магнитного пускателя на электродвигатель, ток в нем проходит последовательно через нагреватели термореле, и далее- к электромотору.
На тепловом реле сверху есть дополнительные контакты, которые последовательно соединяются с катушкой пускателя.
Принцип работы. Нагреватели теплореле рассчитаны на определенную максимальную величину, проходящего через них тока. В опасных ситуациях для электродвигателя, когда электрический ток в одной или нескольких фазах вырастает выше безопасных пределов- нагреватели воздействует на биметаллические контакты, которые разрывают цепь управления катушкой, тем самым отключая пускатель. Для повторного включения необходимо будет включить кнопкой биметаллические контакты.
Учитывайте, что сверху на тепловом реле есть регулятор тока срабатывания в небольших пределах. Если его часто выбивает после установки, рекомендую увеличить регулятором значение тока.
Подключение электродвигателя 380 на 220 .
Как подключить реверсивный магнитный .
Работа магнитного пускателя и его .
Видео 30 о подключении электродвигателя .
Проверка работоспособности схемы
Для того, чтобы понять, правильно собрана схема или нет, нагрузку к пускателю лучше не подключать, оставив его нижние силовые клеммы свободными. Так вы обезопасите коммутируемое оборудование от лишних проблем. Включаем автоматический выключатель, подающий напряжение на испытуемый объект.
Само собой разумеется, пока идет монтаж, он должен быть отключен. А также любым доступным способом предотвращено случайное его включение посторонними лицами. Если после подачи напряжения пускатель не включился самостоятельно – уже хорошо.
При диагностике неисправности помогает однополюсный указатель напряжения, которым можно легко проверить прохождение фазы через кнопку «Стоп» до кнопки «Пуск». Если при отпускании кнопки «Пуск» пускатель не фиксируется, а отпадает – неправильно подключены блок-контакты.
Проверьте – они должны подключиться параллельно этой кнопке. Правильно подключенный пускатель должен фиксироваться во включенном положении при механическом нажатии на подвижную часть магнитопровода.
Теперь проверяем работу теплового реле. Включаем пускатель и аккуратно отсоединяем любой проводок от контактов реле. Пускатель должен отпасть.
{SOURCE}





































