Насадки на бензопилу и зачем вообще это нужно
Чтобы расширить возможности инструмента, нужно купить специальные приспособления для бензопилы. Использовать эти насадки на бензиновых агрегатах целесообразно по ряду таковых причин:
- Мощность агрегата. Бензопилы оснащены мощными ДВС, поэтому там, где маломощные электромоторы на электрических инструментах бессильны, бензиновые моторы всегда справятся с любыми задачами
- Удобство. Если в хозяйстве есть бензопила, то отпадает необходимость покупать разные электроинструменты. Мотор от бензопилы можно даже использовать для того, чтобы привести в движение лодку
- Простота. Чтобы установить насадку на инструмент, не понадобится ничего переделывать, так как все эти приспособления рассчитаны специально для бензоагрегатов
- Автономность. Если любой купленный электроинструмент требует привязки к розетке, то бензоагрегатом можно работать в полевых условиях — будь это насадка в виде болгарки или дрели
Часто пильщики спрашивают, что еще можно сделать из бензопилы. Ведь этот инструмент зачастую применяется в летнее время для заготовки дров, а весну и зиму мощный агрегат проводит на полке в гараже. Чтобы извлечь максимальную выгоду от инструмента, нужно купить насадки к нему, и применить его по назначению.
Это интересно! Расширить возможности инструмента каждый владелец бензопилы может своими руками, так как для этого нужно только купить необходимые приспособления в магазине инструментов.
Чтобы принять правильное решение о расширении возможностей бензопилы, нужно решить, какие виды работ планируете выполнять.
Зачем бензопиле нужны насадки
Наибольшую ценность представляет привод бензопилы. Именно он позволяет модернизировать инструмент, наделяя его дополнительными функциями. На первый взгляд может показаться, что подобные приспособления излишни. Имея в обиходе бензопилу, можно:
- спиливать засохшие мертвые деревья;
- разрезать пни на небольшие фрагменты;
- аккуратно, ровно распиливать доски для строительства всевозможных конструкций: сарая, собачьей будки, теплицы.
Насадка на бензопилу для косых срезов
Однако, используя насадку, можно в значительной степени расширить функциональные/эксплуатационные возможности бензопилы. Такие приспособления позволяют:
- просверливать прорубь (незаменимо для зимней рыбалки);
- заготавливать большое количество дров на зиму;
- использовать инструмент в качестве мотора для резиновой/деревянной/металлической лодки;
- распиливать бревна не поперек, а вдоль, заготавливая пиломатериалы нужных габаритов;
- разрезать натуральный, искусственный камень, керамическую плитку;
- шлифовать, обтачивать поверхности, торцы, неровные края;
- подстригать живую изгородь, создавая причудливые геометрические фигуры;
- делать лунки в почве для предстоящих посадок;
- обрабатывать брусья, доски, бревна (вырезать пазы, чашки);
- удалять кору с лесоматериалов тонким аккуратным слоем.
Приспособление для продольного распила бревна
Преимущества использования съемных насадок для бензопилы
Вдумайтесь: раньше для выполнения всех перечисленных работ потребовалось бы не меньше 5–6 инструментов. Это неизбежно привело бы к большим денежным затратам, постоянным поездкам в хозяйственный магазин и временным потерям. К тому же действительно качественный инструмент стоит дорого, а найти его непросто.
Теперь эта проблема решается покупкой дополнительных насадок. Необходимость приобретения целого комплекта инструментов канула в прошлое. Имея в хозяйстве качественную пилу известной марки (желательно немецкой, японской), можно оснастить ее дополнительными рабочими инструментами. К другим преимуществам этих изделий стоит отнести:
- Экономию места. Не потребуется выделять дополнительные полочки, пространство в кладовой, багажнике для хранения/перевозки нужных инструментов. Насадки компактны и легки.
- Простоту установки. Смена рабочего инструмента происходит быстро, не требует больших усилий. С развитием навыка замена одной насадки на другую будет занимать считанные минуты.
- Экономию денег. В среднем стоимость насадок в 2-3 раза ниже соответствующего инструмента/оборудования. Некоторые приспособления и вовсе заменяют станки (например, насадка для продольного распила).
- Качество. С технической точки зрения насадки ничем не уступают по характеристикам полноценному инструменту.
- Высокую мощность. Бензопилы изначально разрабатываются с учетом повышенных эксплуатационных нагрузок, а потому их привод выделяется отличной производительностью. Следовательно, любая используемая насадка наследует данный показатель.
Использование различных насадок позволяет сэкономить на инструменте
Воспользовавшись насадками, можно решать широкий спектр задач — строительных, хозяйственных, бытовых, ремонтных. Народные умельцы и вовсе изготавливают подобные приспособления самостоятельно, создавая самые разные инструменты.
Почему не рекомендуется подключать насадки к бензопиле
Минусы тоже имеются, и стоит уделить им должное внимание. Если неправильно рассчитать эксплуатационную нагрузку и не делать паузу в работе, давая двигателю остыть, то можно повредить мотор
Замена или ремонт влетят в копеечку
Замена или ремонт влетят в копеечку.
Чтобы предотвратить износ основных компонентов, снизить затраты на обслуживание и ремонт, следует учитывать мощность привода, а точнее — вращательный момент. Существуют насадки, которые ускоряют износ инструмента:
- лодочный мотор;
- бур;
- штиль;
- болгарка.
Выполняя шлифовальные работы, нужно учитывать пыль, поднимающуюся в воздух. Она способна забить фильтры воздухозаборника, что ухудшает отток тепла, повышая риск поломки оборудования.
Компенсировать приведенные недостатки можно качеством оборудования. Используя бензопилу известных марок, имеющую отличные эксплуатационные показатели, можно избежать износа. Не следует забывать и о своевременном техническом обслуживании.
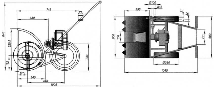
Мотокультиватор, снегоуборщик, ледобур и буроям своими руками
Мотор из бензопилы отлично подойдет и для создания мотокультиватора, предназначенного для вспашки целины (для легких грунтов). Для работы с плотными и влажными почвами мощности и крутящего момента двигателя скорее всего не хватит, а вот для взрыхления поверхностного слоя и удаления оставшихся в земле корней бурьянов культиватора из бензопилы будет достаточно. Главной деталью устройства является вращающаяся фреза, за счет которой и происходит передвижение техники по участку.
Чертеж снегоуборщика выполненного своими руками с применением бензопилы.
Если в культиваторе заменить вал с лемехами на шнек, а также оснастить конструкцию заборным устройством и трубой для откидывания снега, культиватор превращается в снегоуборочную машину. Мотора от любой пилы мощностью 3-5 лошадиных сил будет более чем достаточно для уборки рыхлого снега на участке
Важно только выполнить удобный шнековый механизм. Для этого чаще всего применяются лопасти, изготовленные из толстой резины. В качестве заборного устройства подойдут детали из оцинкованной стали
В качестве заборного устройства подойдут детали из оцинкованной стали
Выброс снега легко осуществить, установив пластмассовую трубу большого диаметра
В качестве заборного устройства подойдут детали из оцинкованной стали. Выброс снега легко осуществить, установив пластмассовую трубу большого диаметра.
Бурить лед или промерзшую землю ручным инструментом – довольно долгое и физически сложное занятие. Создание мотобура своими руками значительно упростит выполнение этой задачи. В этом случае, помимо мотора, необходимо иметь редуктор, регулирующий количество оборотов в минуту, потому как такого сильного вращения, как у бензопилы, устройству не требуется.
На заметку! Если не имеется достаточного количества знаний относительно работы редуктора, можно обратиться за помощью к инженеру, который поможет правильно выбрать нужный механизм. Необходимый тип прибора подбирается в зависимости от характеристик мотора.
Для создания мото- или ледобура своими руками, первое, что потребуется сделать, – выполнить надежный корпус, представляющий собой усеченную пирамиду, состоящую из двух прямоугольников различных размеров. Понадобятся болгарка, сварочный аппарат и металлические трубы. Именно внутри этой рамы и будет устанавливаться редуктор, соответственно, габариты корпуса напрямую будут зависеть от размеров редуктора.
Буроям из бензопилы станет незаменимым помощников в хозяйстве.
Для надежности специалисты рекомендуют в качестве шнека взять деталь от хорошего мотобура, выполненную из прочной стали, потому как низкокачественный материал не выдержит больших нагрузок. Другой важный вопрос – надежное крепление бура, которое можно осуществить при помощи обыкновенной трубы, зафиксированной с двух сторон шпонками или шпильками. Такой способ крепления позволит менять буры или использовать другие приспособления для работы.
На основе триммера
Приобретение подобного мотобура не всегда оправдано. Для нескольких ям или других небольших работ может не понадобиться громоздкий мотобур, который потом будет пылиться в кладовой или гараже.
При наличии определенных знаний можно сделать инструмент своими руками. Такой подход позволит сэкономить на приобретении дорогостоящего агрегата и максимально автоматизировать сложные работы.

И все-таки как сделать мотобур из триммера не прибегая к посторонней помощи? Для того чтобы создать представление о будущем агрегате необходимо вспомнить, что такое триммер. Этот прибор достаточно легкий и простой в использовании.
В его конструкции присутствует длинная ручка, пульт управления и небольшой двигатель, который передает крутящий момент на головку, в которую заправляется леска.
Для того чтобы сделать мотобур самостоятельно без помощи посторонних вам понадобится: двигатель триммера, бур, а так же дополнительные инструменты, которые позволят соединить все элементы конструкции вместе.
Подсоединив все элементы, и надежно скрепив, получим мотобур с небольшой мощностью, с электрическим двигателем от простого триммера. Такой инструмент станет верным помощником в производстве углублений в мягком грунте.
Полезные советы
При изготовлении своими руками такого механизма, как болгарка из бензопилы, следует пользоваться исключительно хорошими материалами. Бывший в эксплуатации защитный кожух дает некую гарантию прикрытия и сохранности.
Что касается шлифовальных кругов, то лучше отдавать предпочтение с диаметром 115 мм. Такие диски способны выдерживать высокую скорость вращения, в отличие от кругов с диаметром 230 мм. Большие увеличивают шанс выхода из строя оборудования.
Болгарку из пилы, выполненную своими силами, можно применять для обработки древесины, операций с металлическими изделиями, работы с камнем, кирпичом и другие строительные работы.
В результате такого занятия человек получает ценный опыт, а также многофункциональное производительное оборудование, которое можно широко эксплуатировать в домашнем хозяйстве. Такой помощник, как болгарка из бензопилы, существенно облегчает жизнь и экономит финансовые средства человека.
Описание
Народные умельцы издавна славились своими золотыми руками и гениальными идеями, которые впоследствии могли перевоплотить в жизнь не только они сами, но многие другие хозяйственные мастера. Примером такой переделки может служить болгарка из бензопилы.
Болгарка может пригодиться в любом хозяйстве, потому как периодически требуется проведение шлифовальных работ и резки. Но если ее нет, а имеется пила, работающая на бензине, то можно создать самодельную болгарку, которая будет работать не хуже производственной.

Достоинства самодельной болгарки:
- Независимость в работе и от электрической сети.
- Высокая производительность по сравнению с электрическими аналогами.
- Существенная экономия по сравнению с приобретением нового аппарата.
- Не сложность проводимых работ по переделке.
Метки: гелен свап 1uz-fe vvti
Комментарии 68
А обязательно гильзовать? Штатно нельзя использовать?
Можно но не долго))))
Здравствуйте, есть пара вопросов:кольца штатные? и что если гильза будет скажем стальной?
Чем тебе пила-то не угодила? Сломалась?
Для чего надо было пилу покупать, если тебе только гбц с кишками только понадобились. Такую же манипуляцию можно с любым гбц сделать. Но результат хорош!
смысл со всей этой лабулы, когда можно за 100$ взять нормальный компрессор с 250 литрами в минуту.
а это за 100 будет 20 очков качать и как долго?
20 БАР? а зачем так много?
именно Атм, если бы мне столько не требовалось я бы Беркут использовал
так другой расклад. Просто тут я прочитал как тупо компрессор, а тебе оказывается надо 20 бар… И повторю вопрос, зачем так много?
Механизированный рубанок из обычной бензопилы
Эта насадка может пригодиться при возведении сруба для жилого дома или бани. Не секрет, что брёвна с корой стоят дешевле, а значит, экономия здесь будет явной. Пара нехитрых движений ─ и обычная бензопила уже превращается в кородёр.
ФОТО: YouTube.comВот такое приспособление получается после установки насадки
Единственным недостатком пользователи называют быстрый износ цепи. Однако на обустройство одного сруба для жилого дома её вполне хватит. И всё же лучше, если домашний мастер будет использовать старые цепи, которые уже не жалко. Также устройство позволит заточить колья или обработать брус, придав ему гладкость.
ФОТО: YouTube.comВот так работает рубанок, сделанный из бензопилы
Почему стоит выбрать бензопилу
Еще одним преимуществом этого инструмента выступает возможность использования агрегата в любом месте, ведь он работает в автономном режиме. Конструкция имеет удачное исполнение, а ее поломки почти исключаются. Если же у вас есть бензопила, но она простаивает без дела, вы можете ознакомиться со способами ее эксплуатации, используя специальные насадки. Бензопила таким образом становится инструментом с поистине феноменальными возможностями. Посредством приспособлений вы можете бурить грунт, вырабатывать электроэнергию, плавать, обрабатывать почву, ездить и даже летать.
Как сделать болгарку самостоятельно?
Более подробно рассмотрим, как сделать болгарку с применением пилы. Болгарка используется в большинстве домашних хозяйств, конечно, не часто, но это очень нужный и полезный инструмент. Бывают ситуации, когда такого инструмента нет под рукой, но имеется бензопила. Тогда можно изготовить болгарку в виде насадки на бензопилу, чтобы использовать для шлифования и резки.
Болгарка на основе пилы является самым простым по изготовлению инструментом. Угловые шлифовальные машины на основе пилы очень популярны. Основными частями такой болгарки являются подшипниковый узел с валом.
Преимущества болгарки из бензопилы:
- Независимость устройства от наличия или отсутствия электрической сети. Такой инструмент можно использовать на любых площадках.
- Производительность болгарки из бензопилы куда выше, чем выработка электрических аналогичных инструментов.
- Стоимость изготовленного устройства гораздо меньше, чем покупка нового прибора соответствующей мощности.
- Процесс изготовления такого оборудования очень простой.
На сегодняшний момент на рынке представлены многочисленные модели дополнительных специальных насадок для бензопилы, которые превращают ее в угловую шлифовальную машинку. Тем более что они предназначены на разные виды бензопил. Таким образом, можно приобрести насадку для соответствующей марки устройства.
Мировые производители бензиновых пил призывают не применять различные переходники и насадки для таких устройств. Связано это с тем, что диски для шлифования предназначены для работы со скоростью 7000 оборотов. А пила имеет возможность выдавать 13000-14000 оборотов. Результатом превышения скорости может быть разрушение диска, которое приведет к поломке инструмента. Также можно получить физические травмы.
Чтобы уменьшить разрушение диска рекомендуются следующие пути решения:
- Применение защитного кожуха.
- Понижение скорости оборотов бензопилы.
Для уменьшения количества оборотов двигателя рекомендуется употреблять редуктор скорости вращения.
Также для снижения быстроты вращения можно установить ведомый шкив наибольшей окружности. Шкив устанавливается на один конец вала. Он вращается с помощью ременной передачи от двигателя. Данный метод помогает избегать непредвиденных ситуаций при заклинивании диска. Ремень начнет проскальзывать на шкиве, когда произойдет остановка диска. При этом не происходит поломка инструмента.
На другом конце вала пилы располагается оправка, которая предназначена для точильных кругов.
Недостатки самодельной болгарки:
- Попадание твердых частиц от работы болгарки внутрь воздушного фильтра двигателя может сказаться на перегреве и поломке пилы. Хотя воздушный фильтр приспособлен к загрязнению древесными опилками при работе бензопилой, металлическая пыль является более негативным фактором.
- Возможность получения физического и материального ущерба при работе с болгаркой на основе бензопилы.
Видео: насадка-болгарка для бензопилы, установка и работа.
Пилорама из бензопилы своими руками: видеоинструкция и чертежи
Имея в наличии чертежи и изучив видеоинструкцию, самостоятельно изготовить конструкцию для обработки бревен, досок и реек довольно просто. Перед началом работ необходимо выбрать подходящее место. Установить пилораму из бензопилы можно в старом сарае, гараже, ангаре или даже просто под навесом. Если помещение для агрегата будет закрытым, то следует позаботиться о вытяжке.
Пилорама из бензопилы — вариант №1
Для изготовления конструкции кроме бензопилы понадобятся:
- два швеллера длиной в 8 метров и высотой в 140-180 миллиметров;
- две рельсы;
- уголки 50х100 мм и 40х40 мм;
- отрезки водопроводной трубы в 25 см в качестве стяжек;
- плита из стали толщиной в 4-6 см и длиной в 60 см;
- подвижные шланги;
- трубы с диаметром в 35-40 мм.
Изготовление своими руками пилорамы следует начинать со сборки основания из перевернутых подошвой вверх рельс и уголков 50х100 мм. Устанавливаться они должны строго параллельно полу, поэтому нужно воспользоваться строительным уровнем.
Далее выполняются следующие работы:
- По длине основания, согласно чертежу, сверлятся отверстия с шагом в 1-1,5 метра и диаметром в 14-16 мм.
- Затем по количеству отверстий берутся стяжки, которые соединяются при помощи болтов.
- Из металлических угольников изготавливаются стойки и на них ставится основа. Расстояние между крайними стойками и основой должно быть около 100 см.
- Чтобы конструкция была более жесткой, раскосы между стойками можно приварить.
После того как основа будет выполнена и установлена, необходимо своими руками сделать подвижную тележку. Для этого снизу стальной плиты приваривается уголок 40х40 мм и изделие ставится на ролики или подшипники. Сверху плиты приваривается два уголка, к которым крепится бензопила.
На последнем этапе работ по изготовлению самодельной пилорамы необходимо сделать конструкцию для фиксации бревен. Для этого подвижные шланги и трубы следует расположить на необходимой высоте и закрепить их.
Первый вариант самодельной пилорамы из бензопилы готов. Существует еще один способ изготовления своими руками агрегата для обработки древесины. Инструменты и чертеж для него понадобятся те же, однако, сама конструкция более доработана.
https://youtube.com/watch?v=KxtDdf-N3pY
Пилорама из бензопилы своими руками – вариант №2
Состоит конструкция из четырех главных узлов:
- Пилы с приводом.
- Механизма для регулирования толщины изготавливаемой доски.
- Механизма для передвижения пильной части конструкции.
- Устройства для фиксации бревен.
Так как бензопила с рабочим двигателем и режущими зубьями в уже есть в наличии, необходимо будет сделать своими руками только оба механизма и устройство для фиксации бревен.
Механизм для регулирования толщины досок.
Распиливаются бревна посредством поднимания или опускания основания, которое должно быть приварено к пластине с помощью четырех гаек с согнутыми краями. Вверху этого устройства необходимо установить контргайки, которые нужно затягивать после того, как агрегат будет настроен на нужную толщину обрабатываемого материала.
Механизм для передвижения пилы.
Пила в конструкции перемещается вдоль рамы по направляющим уголкам, расстояние между которыми должно быть в 50 см. К стойкам необходимо приварить два ролика или подшипника на 20 мм. Нижний ролик должен удерживать пилораму от подъема, а верхний следует опереть на направляющий уголок.
Устройство для фиксации бревна.
На таком агрегате бревна крепятся с помощью двух гребней – неподвижного и перемещающегося посредством винта. После того как материал для обработки будет установлен, перемещающийся гребень винтами закрепляется в неподвижном состоянии. Теперь можно начинать смело эксплуатировать самодельную пилораму, выполненную из бензопилы.
Распил бревна на доски бензопилой с деревянной направляющей
Как сообщает ведущий ютуб-канала Адвокат Егоров, такой способ больше всего подходит для делянки, где есть поваленные деревья. Чтобы распиливать брёвна, достаточно иметь бензопилу средней мощности с короткой шиной и две строганые доски. Доски скручивают саморезами встык, а полученную прямоугольную конструкцию для жёсткости укрепляют прямоугольными брусками.
Бревно, подготовленное к распилу
Распил бревна начинают со снятия небольшого горбыля. Чтобы срез был ровным, к бревну крепят уголок, который используют, как направляющую.
Установка уголка на бревно
Бревно переворачивают, и на срезе опять фиксируют направляющий уголок. Для удобства при монтаже устанавливают подпорку.
Направляющий уголок с подпоркой
От высоты установки направляющего уголка зависит толщина полученного пиломатериала.
Срез второго горбыля на бревне
После среза двух горбылей получают полноценные доски. Если бревно длинное и при распиле доска зажимает полотно, тогда вставляют клинья.
При распиле длинного бревна необходимо следить за нагревом пилы и останавливаться, чтобы дать инструменту возможность остыть.
Распил бревна по направляющей
После распила бревна таким способом получают доски разного качества и разной толщины.
Бревно, распиленное на доски
Видео про то, как распилить бревно на доски бензопилой с деревянной направляющей:
Стационарная циркулярка
Много самых разных задач можно решить при помощи самодельной циркулярки из болгарки. Такой станок станет незаменимым помощником при ремонте в квартире, при изготовлении мебели и для многих других мужских дел. Можно купить готовый циркулярный станок, а можно сделать его своими руками.
Для этого не нужно обладать какими-то особыми навыками. Достаточно уметь пользоваться ручным инструментом и иметь необходимый минимум материалов. Прежде чем поговорить о том, как сделать циркулярку из болгарки, рассмотрим общую конструкцию станка.
Насадка — болгарка, должна использоваться согласно рекомендациям производителя и с соблюдением техники безопасности. На практике, этими рекомендациями пренебрегают, что часто приводит к травмированию. Рассмотрим основные моменты, которые стоит учитывать при работе с бензопилой – болгаркой.
- В процессе работы руки и глаза оператора должны быть защищены. Очки и перчатки просто необходимы, но не лишним будет одеть костюм из грубого материала. Отрезные диски тонкие, хрупкие на излом и если обычной болгаркой они легко контролируются, то пилой делать это не так просто. Диск может завернуть и сломать, осколки могут разлететься и поранить.
- На бензопилу мощностью менее 1,5 кВт устанавливать отрезной диск большого диаметра не стоит, двигатель справиться, но будет работать на пределе и будут заметны провалы по оборотам.
- Работать со снятым защитным кожухом запрещено.
- Приводной ремень между шкивами должен быть правильно натянут. Проконтролировать натяжение можно следующим образом: захватить ремень по центру и попытаться повернуть вокруг своей оси. Если ремень поворачивается только на 900, то он натянут правильно, если больше или меньше, значит необходимо провести регулировку.
Использовать болгарку в качестве рабочего механизма можно и стационарных условиях. Станина в этом случае будет иметь немного другую конструкцию. Стационарный вариант подразумевает наличие свободной площади и большого объема работ. Поэтому всю конструкцию можно сделать основательнее, массивнее, а, значит, надежнее.
Сверху металлического каркаса крепится рабочий стол из широкой доски или толстой фанеры. По нему будет передвигаться обрабатываемая деталь. Упорный уголок снабжен подвижным креплением для регулировки ширины распила.
Сейчас читают: Бензопила Echo. Обзор модельного ряда, инструкция, отзывы
Сбоку станка расположены органы управления: розетка и кнопки включения-отключения. В стационарном варианте клавишу на корпусе болгарки имеет смысл исключить из схемы. При наличии достаточного места в качестве привода можно применить шлифмашинку большой мощности.
Много самых разных задач можно решить при помощи самодельной циркулярки из болгарки. Такой станок станет незаменимым помощником при ремонте в квартире, при изготовлении мебели и для многих других мужских дел. Можно купить готовый циркулярный станок, а можно сделать его своими руками.




































