Хороший металлоискатель своими руками
Дело было уже несколько лет назад. Хотелось чем-то занять руки, да и скоротать вечера, приближая кладоискательский сезон. Решено было собрать металлоискатель. Для сборки выбрал схему металлоискателя “Пират”. Так как она не сложная, но и аппарат сам довольно интересный. Сборка была начата с поисков деталей. Пришлось даже ездить в мастерскую за некоторыми резисторами. Когда все было найдено, необходимо было приготовить печатную плату, а именно вытравить ее методом ЛУТа. Далее дело было за малым: впаять все детали. Ну и проверить готовую плату. С первого раза она не включилась. Оказалась неисправной микросхема К157УД2. Поменяв ее, схема заработала!  Теперь можно заняться корпусом. В его качестве был взят корпус от Кощей 5И, изготовлена новая передняя панель. Дело за катушкой. Для катушки лобзиком был вырезан каркас и по боковой грани выточен паз, где была намотана обмотка катушки, припаян кабель с разъемом. Штанга же была изготовлена из пластиковых труб и фитингов. Подлокотник вырезан из канализационной трубы. Получилось все довольно таки культурно. Прибор получился легким, но недостаточно жестким.
 Теперь можно заняться корпусом. В его качестве был взят корпус от Кощей 5И, изготовлена новая передняя панель. Дело за катушкой. Для катушки лобзиком был вырезан каркас и по боковой грани выточен паз, где была намотана обмотка катушки, припаян кабель с разъемом. Штанга же была изготовлена из пластиковых труб и фитингов. Подлокотник вырезан из канализационной трубы. Получилось все довольно таки культурно. Прибор получился легким, но недостаточно жестким.  В итоге получился рабочий качественный прибор. Единственный его минус – это отсутствие дискриминации металлов. Поэтому, для поиска монет он, можно сказать, не пригоден. Ведь и гвозди, и монеты звенят одинаково.
 В итоге получился рабочий качественный прибор. Единственный его минус – это отсутствие дискриминации металлов. Поэтому, для поиска монет он, можно сказать, не пригоден. Ведь и гвозди, и монеты звенят одинаково.  Но с его помощью можно успешно копать металлолом и сдавать его в пункты приема, тем самым зарабатывать деньги! Есть видео с тестом данного аппарата. Снято оно было мной весной 2015 года.
 Но с его помощью можно успешно копать металлолом и сдавать его в пункты приема, тем самым зарабатывать деньги! Есть видео с тестом данного аппарата. Снято оно было мной весной 2015 года.
https://youtube.com/watch?v=TjD-Y91r4RU
Источник
Облегчайзинг
Чтобы уменьшить вес катушки, было решено выпилить некоторые участки конструкции:
Данная манипуляция позволила скинуть 168 грамм лишнего веса. При этом прочность датчика практически не уменьшилась, в чем можно убедиться благодаря данному видео:
Теперь задним умом понимаю, как можно было изготовить катушку еще немного легче. Для этого надо было заранее наделать больших отверстий в среднем блинчике (перед тем, как все склеивать). Что-то типа такого:
Пустоты внутри конструкции почти не сказались бы на прочности, но зато снизили бы общую массу еще грамм на 20-30. Сейчас, конечно, уже поздняк метаться, но на будущее учту.
Еще один путь облегчения конструкции датчика — уменьшить ширину наружного кольца (где уложены витки провода) миллиметров на 6-7. Конечно, это можно сделать и сейчас, но пока нет такой необходимости.
Конструкция и принцип работы прибора
Металлодетекторы, предлагаемые на рынке, работают на разных принципах. Многие считают, что они используют принцип импульсной эхо- или радиолокации. Их отличие от локаторов заключается в том, передаваемый и принимаемый сигналы, действуют постоянно и одновременно, ко всему прочему они работают на совпадающих частотах.  Приборы, работающие по принципу «прием-передача», регистрируют отраженный (переизлученный) от металлического предмета сигнал. Этот сигнал появляется из-за воздействия на металлический предмет переменным магнитным полем, которое генерируют катушки металлоискателя. То есть в конструкции устройств этого типа предусмотрено наличие двух катушек, первая – передающая, вторая – приемная.
 Приборы, работающие по принципу «прием-передача», регистрируют отраженный (переизлученный) от металлического предмета сигнал. Этот сигнал появляется из-за воздействия на металлический предмет переменным магнитным полем, которое генерируют катушки металлоискателя. То есть в конструкции устройств этого типа предусмотрено наличие двух катушек, первая – передающая, вторая – приемная.  Приборы этого класса обладают следующими достоинства:
 Приборы этого класса обладают следующими достоинства:
- простота конструкции;
- большие возможности для обнаружения металлических материалов.
В тоже время, металлоискатели этого класса обладают определенными недостатками:
- металлоискатели могут быть чувствительными к составу грунта, в котором производят поиск металлических предметов.
- технологические сложности при производстве изделия.
Другие устройства иногда называют металлоискатель на биениях. Это название пришло из далекого прошлого, точнее со времен, когда широко эксплуатировались супергетеродинных приемников. Биения – это явление, которое становится заметно при суммировании двух сигналов с близкими частотами и равными амплитудами. Биение заключается в пульсировании амплитуды просуммированного сигнала.
Частота пульсирования сигнала равняется разностью частот суммируемых сигналов. Пропуская такой сигнал через выпрямитель, его еще называют детектором, выделяют, так называемую разностную частоту. Такая схема долго применялось, но в наши дни, ее не применяют. Их сменили синхронные детекторы, но термин остался в применении. Металлодетектор на биении работает, используя следующий принцип – он регистрирует разность частот от двух генераторных катушек. Одна частота стабильна, вторая содержит в себе катушку индуктивности.
Устройство настраивают своими руками так, чтобы генерируемые частоты совпадали или по крайней мере были близки. Как только, в зону действия попадает металл, происходит изменение заданных параметров и частота изменяется. Разность частот может быть зарегистрирована разными способами, начиная от наушников и заканчивая цифровыми методами. Устройства этого класса отличаются простой конструкцией датчика, слабой чувствительностью к к минеральному составу почвы.
Типовая конструкция
В состав металлоискателя входят следующие составные части:
- Катушка – это конструкция коробчатого типа, в ней располагают приемник и передатчик сигнала. Чаще всего катушка имеет эллиптическую форму и для ее изготовления применяют полимеры. К ней подведен провод, соединяющий ее с блоком управления. Это провод передает сигнал от приемника к блоку управления. Передатчик формирует сигнал при обнаружении металла, который транслируется на приемник. Катушку устанавливают на нижнюю штангу.
- Металлическую часть, на которой фиксируется катушка и настраивается угол ее наклона, называют нижней штангой. Благодаря такому решению происходит более тщательное исследование поверхности. Существуют модели, в которых нижняя часть может регулировать высоту металлоискателя и обеспечивает телескопическое соединение со штангой, которую называют средней.
- Средняя штанга – это узел, расположенный между нижней и верхней штангами. На ней закрепляют приспособления, позволяющие регулировать размеры устройства. на рынке можно встретить модели, которые состоят из двух штанг.
- Верхняя штанга, как правило, имеет изогнутый вид. Она напоминает, букву S. Такая форма считается оптимальной для закрепления ее на руке. На ней устанавливают подлокотник, блок управления и рукояткой. Подлокотник и рукоятку изготавливают из полимерных материалов.
- Блок управления металлодетектором необходим для обработки получаемых от катушки данных. После того, как сигнал преобразован он направляется на наушники или другие средства индикации. Кроме того, блок управления предназначен для регулировки режима работы устройства. Провод от катушки присоединяется с помощью быстросъемного устройства.
 Все устройства входящие в состав металлоискателя выполняют во влагозащищенном исполнении.
 Все устройства входящие в состав металлоискателя выполняют во влагозащищенном исполнении.
Металлоискатель Clone PI в домашних условиях – схема и подробная инструкция
Clone PI это импульсный металлоискатель без определения типа металлов, который может работать с катушками различных размеров. При использовании кольца диаметром 20 см, МИ Клон может находить монету на глубине до 25 см, а крупный металл – до 1 метра.
За основу Клона взята схема металлоискателя Tracker PI-2 с внесением в нее некоторых изменений.
Металлоискатель Clone PI имеет следующие отличия от оригинала (Металлоискателя Tracker PI-2):
 
- Использование микроконтроллера AVR вместо PIC-контроллера.
- Использование ЖКИ экран без светодиодов для индикации.
- Наличие быстрой и медленной автоподстройки.
- Все управление металлоискателем кнопочное (без переменных резисторов).
Схема металлоискателя Clone PI
 Схема металлоискателя Clone PI
Схема металлоискателя Clone PI
 
Внимание: последние версии прошивок для металлоискателя выпускались для микроконтроллера PIC18F252!
Схема металлоискателя Клон содержит несколько дорогостоящих элементов: ЖКИ экран, АЦП MCP3201 и микроконтроллер. Перед началом изготовления металлоискателя, обязательно приобретите АЦП, так как с его покупкой могут возникнуть трудности!
Также схема металлоискателя, содержит программируемый микроконтроллер, поэтому для его изготовления вам понадобится программатор с поддержкой программирования микроконтроллеров – PIC18F252 и умение им пользоваться.
На экране, металлоискатель Клон Пи выводит следующую информацию:

- Уровень отклика («быстрый» и «медленный» слайдеры).
- Напряжение питания.
- Порог (величина, обратная чувствительности).
- Громкость.
- Признак активности автоподстройки (отклик превышает порог в любую сторону).
- Признак медленной автоподстройки (отклонение отклика в положительную сторону), совпадает со звуковой сигнализацией.
- Индикатор включённой подсветки дисплея.
Сборка металлоискателя Clone PI своими руками
Сборку металлоискателя Clone PI, как уже сказано выше, следует начать с поиска и покупки деталей, для изготовления печатной платы. После этого можно переходить к непосредственному процессу изготовления и сборки.
Первым делом, необходимо вытравить печатную плату:
 Печатная плата металлоискателя Clone PI
Печатная плата металлоискателя Clone PI
 
Затем внимательно осматриваем плату, чтобы выявить непропаенные места и «залипухи». Если все хорошо, можно приступать к программированию микроконтроллера.
Прошивки, рисунки печатной платы и прочие материалы, которые могут понадобиться при создании металлоискателя Клон Пи своими руками в домашних условиях, вы можете скачать ниже.
Файлы для скачивания:
После программирования, микроконтроллер устанавливаем на плату, и уже можно увидеть первые плоды своего труда.
Питание металлоискателя лучше подавать через предохранитель (2–5 А). В случае замыкания или ошибки при пайке он может спасти вашу плату!
Изготовление поисковой катушки для металлоискателя Клон ПИ
Простую поисковую катушку для металлоискателя Clone PI своими руками можно изготовить из обмоточного эмаль провода диаметром 0,6–0,8 мм, намотав 25 витков на оправку диаметром 25–27 см. В качестве оправки можно использовать кастрюльку или другой подходящий круглый предмет.
Затем витки катушки туго уматываем изолентой или скотчем. К концам катушки подпаиваем свитый многожильный провод сечением 0,75 мм и длиной 1–1,3 метра. Для удобства работы, защиты катушки от ударов и придания ей эстетического вида, можно ее засунуть в такой корпус:


Пират
Еще одна популярная импульсная модель для начинающих кладоискателей — металлоискатель «Пират» Его также легко сделать своими руками, подробная инструкция в двух вариантах:
- На той же микросхеме NE555. Это классический генератор, который начинает работать при появлении металла в зоне действия катушки. Никаких подстроек не требуется, просто в динамике раздастся писк.
- Металлоискатель, собранный на транзисторах, работает по такому же принципу. Собственно и схема аналогичная, только NE555 заменена транзисторным генератором на КТ315.
Питание желательно приблизить к 12 вольтам, поскольку качество работы зависит от напряжения. Печатные платы уже опробованы, оба варианта на иллюстрации.

Катушка (в данном случае одна) изготавливается из той же трансформаторной проволоки 0.5 мм. Оптимальный диаметр 20 мм, количество витков 25. Поскольку мы делаем металлоискатель «Пират» своими руками, внешний дизайн отходит на второй план. Подойдут любы материалы, которые вы готовы были выбросить.

Рукоятку лучше выполнить разъемной, для удобства транспортировки. Помним, что использование металлов недопустимо.

Чувствительность регулируется двумя переменными резисторами в реальном времени, при проведении поиска. Никакая точная подстройка генератора не требуется.
А если вам удастся качественно загерметизировать корпус, можно заняться поиском «сокровищ» в пляжной полосе прибоя, и даже на дне водоема.

Подводный металлоискатель своими руками сделать сложнее, но он даст неоспоримое преимущество перед конкурентами.
Улучшение характеристик
Глубинный металлоискатель своими руками без дополнительных затрат можно сделать из готового «Пирата». Для этого можно пойти двумя способами:
- Увеличение диаметра катушки индуктивности. При этом существенно повышается проницаемость вниз, но снижается чувствительность к небольшим предметам.
- Снижение числа витков катушки с одновременной подстройкой схемы. Для этого придется пожертвовать одной катушкой для экспериментов. Снимаем (и отрезаем) виток за витком, пока не увидим, что чувствительность начала снижаться. Запоминаем количество витков при максимальных параметрах, и делаем новую катушку для этой схемы. Затем меняем резистор R7 на переменный, с аналогичными параметрами мощности. Проведя несколько экспериментов с чувствительностью, фиксируем сопротивление, меняем переменник на постоянный резистор.
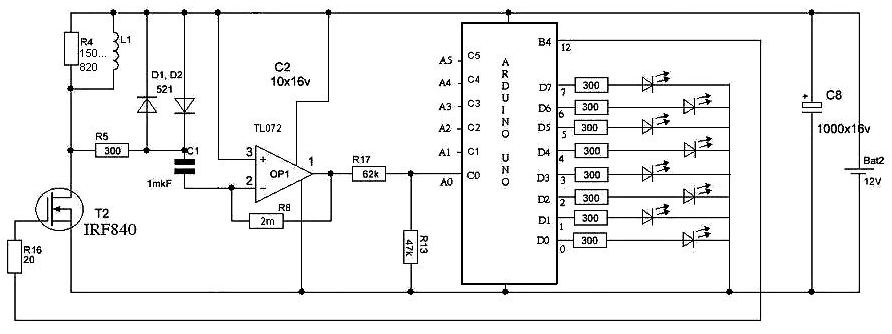
Металлоискатель «Пират» можно собрать на популярном контроллере «Ардуино».

Пользоваться таким прибором удобнее, но дискриминации металлов по-прежнему не будет.
Разобравшись, как сделать металлоискатель своими руками для любительских задач, кратко разберем несколько серьезных моделей.
Задумка
Проще всего для самостоятельного изготовления мне показалась такая конструкция: берем диск из листового материала толщиной ~4-6 мм. Диаметр этого диска определяется диаметром будущей обмотки (в моем случае он должен быть равен 21 см).
Затем к этому блинчику с обоих сторон приклеиваем два диска чуть большего диаметра, чтобы получилась как бы шпулька для намотки проволоки. Т.е. такая сильно увеличенная по диаметру, но сплюснутая по высоте катушка.
Для наглядности попробую изобразить это на чертеже:
Надеюсь, основная задумка ясна. Просто три диска, склеенные между собой по всей площади.
Самодельный металлоискатель «Пират»: схема и подробное описание сборки
Самодельные изделия на базе металлоискателя серии «Пират» являются одними из самых популярных среди радиолюбителей. Благодаря хорошим рабочим качествам прибора, он способен «обнаруживать» объект на глубине от 200 мм (для мелких предметов) и 1500 мм (для крупных объектов).
Детали для сборки металлоискателя
Пиратский металлоискатель — это импульсный прибор. Для изготовления устройства вам потребуется приобрести:
- Материалы для изготовления корпуса, стержня (можно использовать пластиковую трубку), подставки и так далее.
- Проволока и изолента.
- Наушники (подходят к плееру).
- Транзисторы — 3 штуки: ВС557, IRF740, ВС547.
- Микросхемы: К157УД2 и НЭ
- Конденсатор керамический — 1 нФ.
- 2 пленочных конденсатора — 100 нФ.
- Электролитические конденсаторы: 10мкФ (16В) — 2шт, 2200мкФ (16В) — 1шт, 1мкФ (16В) — 2шт, 220мкФ (16В) — 1шт.
- Резисторы — 7 штук по 1; 1,6; 47; 62; 100; 120; 470 кОм и 6 штук на 10, 100, 150, 220, 470, 390 Ом, 2 штуки на 2 Ом.
- 2 диода 1N148.
Схемы металлодетектора для изготовления своими руками
Классическая схема металлоискателя серии Pirate построена на микросхеме NE555. Работа устройства зависит от компаратора, выход которого подключен к ИС генератора импульсов, второй — к катушке, а выход — к громкоговорителю. В случае обнаружения металлических предметов сигнал с катушки поступает на компаратор, а затем на громкоговоритель, который предупреждает оператора о наличии искомых предметов.
Карту можно разместить в простой распределительной коробке, которую можно приобрести в магазине электроснабжения. Если такого инструмента вам мало, вы можете попробовать изготовить прибор более совершенной конструкции, чтобы помочь вам со схемой изготовления металлоискателя применительно к золоту.
Как собрать металлоискатель без использования микросхем
В этом устройстве для генерации сигналов используются транзисторы советского образца КТ-361 и КТ-315 (могут использоваться аналогичные радиодетали).
Как собрать печатную плату металлоискателя своими руками
Генератор импульсов собран на микросхеме NE555. Выбирая C1 и 2 и R2 и 3, частота регулируется. Импульсы, полученные в результате сканирования, передаются на транзистор Т1 и передают сигнал на транзистор Т2. Усиление звуковой частоты происходит на транзисторе BC547 на коллектор и подключаются наушники.
Для размещения радиодеталей используется печатная плата, которую легко изготовить своими руками. Для этого мы используем кусок фольги гетинакса, покрытый медной электроизоляционной фольгой. Переносим на него соединительные детали, размечаем точки крепления, просверливаем отверстия. Покрываем дорожки защитным лаком и после высыхания опускаем будущую доску хлорного железа для гравировки. Это необходимо для удаления незащищенных участков медной фольги.
Как сделать катушку для металлоискателя своими руками
Для основы понадобится кольцо диаметром около 200 мм (в качестве основы можно использовать обычные деревянные круги), на которое намотана проволока 0,5 мм. Для увеличения глубины обнаружения металла рама катушки должна быть от 260 до 270 мм, а количество витков должно составлять 21-22 об. Если под рукой нет ничего подходящего, можно намотать катушку на деревянную основу.
Катушка из медной проволоки на деревянной основе
| Иллюстрация | Описание акции | 
| Для обертывания подготовьте доску с направляющими. Расстояние между ними равно диаметру основания, на котором вы будете устанавливать катушку. | |
| Оберните провод по периметру крепежа на 20-30 витков. Закрепите обмотку липкой лентой в нескольких местах. | |
| Снимите обмотку с основания и придайте ей округлую форму, при необходимости дополнительно закрепите обмотку в нескольких других местах. | |
| Подключите схему к устройству и проверьте его работу. | 
Катушка из витой пары за 5 минут
Нам понадобится: 1 витая пара 5 кат 24 AVG (2,5мм), нож, паяльник, припой и мультитестер.
| Иллюстрация | Описание акции | 
| Скатайте пряжу в два витка косичкой. Оставьте по 10 см с каждой стороны. | |
| Зачистите обмотку и освободите провода для подключения. | |
| Соединяем жилки по схеме. | |
| Для лучшей фиксации приварите их паяльником. | |
| Испытайте катушку так же, как и устройство с медным проводом. Обмоточные кабели необходимо припаять к многожильному проводу диаметром 0,5-0,7 мм. | 
Детали самодельного металлоискателя:
- Микросхемы; К176ЛА7, К176ЛА9
- Кварцевый резонатор; 1 МГц
- Варикап; Д901Е
- Резисторы; 150к-3шт., 30к-1шт.
- Резистор переменного сопротивления; 10к-1шт.
- Конденсатор электролитический;50Мкф/15 вольт
- Конденсаторы; 0.047-2шт., 100-4шт., 0,022, 4700, 390
Большинство деталей расположены на печатной плате:


Всё устройство я разместил в обычной мыльнице, экранировав от помех алюминиевой фольгой, которую соединил с общим проводом:

Так как для кварца не предусмотрено место на печатной плате, то он располагается отдельно. Гнездо под наушники и регулятор частоты для удобства я вывел с торца мыльницы:
Весь блок металлодетектора при помощи двух хомутиков разместил на отрезке лыжной палки:

Осталась самая ответственная часть: изготовить поисковую катушку.
Катушка для металлоискателя
От качества изготовления катушки будет зависеть чувствительность устройства, стойкость к ложным срабатываниям, так называемым фонтонам. Хотелось бы сразу заметить, что от размера катушки напрямую зависит глубина обнаружения предмета. Так, чем больше диаметр, тем глубже прибор сможет обнаружить цель, но размер этой цели также должен быть больше, например, канализационный люк (маленький предмет с большой катушкой металлоискатель просто не увидит). И наоборот, катушка маленького диаметра способна обнаружить маленький предмет, но находящийся не очень глубоко (например, маленькая монета или кольцо).
Поэтому я сначала намотал катушку среднего размера, так сказать, универсальную. Забегая вперёд, хочу сказать, что металлоискатель задумывался на все случаи жизни, то есть катушки должны быть разного диаметра и их можно менять. Чтобы быстро сменить катушку, я поставил на штангу разъём, который выдернул из старого лампового телевизора:
Ответную часть разъёма я закрепил на катушке:

В качестве каркаса для будущей катушки я использовал пластмассовый ковш, который был куплен в хозяйственном магазине. Диаметр ковша следует подобрать приблизительно равным 200 мм. От ковша следует отрезать часть ручки и днища так, чтобы остался пластмассовый ободок, на который следует намотать 50 витков провода ПЭЛШО диаметром 0,27 миллиметров. На часть оставшейся ручки следует закрепить разъем. Получившуюся катушку изолируем при помощи изоленты в один слой. Затем нам нужно эту катушку заэкранировать от помех. Для этого нам понадобится алюминиевая фольга в виде полосы, которой мы обмотаем сверху так, чтобы концы получившегося экрана не замкнулись и расстояние между ними было приблизительно 20 миллиметров. Получившийся экран следует соединить с общим проводом. Сверху я также обмотал изолентой. Конечно, можно все это пропитать эпоксидным клеем, но я оставил так.
После испытаний большой катушки я понял, что нужно изготовить маленькую, так называемую снайперку, чтобы было легче обнаруживать предметы небольших размеров.
Готовые катушки выглядят вот так:
Настройка готового металлоискателя
Прежде чем начать настраивать металлоискатель, нужно убедиться в отсутствии металлических предметов вблизи поисковой катушки. Настройка заключается в подборе емкости конденсатора C2, для того чтобы получить максимальный уровень биений, который мы слышим в наушниках, так как в сигнале присутствуют множество гармоник(нужно выделить самую сильную). При этом движок переменного резистора R2 должен находиться как можно ближе к середине:

Штанга у меня получилась из двух частей, трубки были подобраны таким образом, что они входят друг в друга очень плотно, благодаря чему не пришлось придумывать специального крепления для этих трубок. Также были изготовлены подлокотник и рукоятка, чтобы было удобно выполнять проводку над землей. Как показала практика, это очень удобно: рука совершенно не устает. В разобранном виде металлоискатель получился очень компактный и умещается буквально в пакет:

Внешний вид готового прибора выглядит вот так:
В заключение хотелось бы сказать, что данный металлоискатель не подходит лицам, которые собираются работать по старине. Так как в нем нет дискриминации по металлам, вам придется копать все подряд. Скорее всего, вы очень сильно разочаруетесь. А вот любителям собирать металлолом данное устройство будет в помощь. Да и просто как развлечение детям.
Идея №1 – Диски в ход!
Наверняка Вы уже встречали либо слышали, что самый простой металлоискатель можно самому сделать с помощью CD и DVD диска, как показано на фото. Схема довольно простая и не требует никакого профессионального инструмента либо навыков.
Все что Вам нужно подготовить это:
 
- диски (лучше использовать двухсторонние, т.к. в этом случае получится сделать прибор более чувствительным);
- наушники;
- калькулятор (можно самый дешевый и простой);
- батарейка «Крона»;
- изолента;
- клей.
Пошаговая инструкция по сборке металлоискателя из дисков и калькулятора выглядит следующим образом:
 
- Срезаем штекер наушников и зачищаем изоляцию на двух проводах (оголяем жилы на 5-10 мм).
- Каждый зачищенный провод разделяем на 2 одинаковых части (в итоге должно получиться четыре части)
- К каждому из дисков прикрепляем по одному контакту из разных групп (если носитель односторонний, крепление нужно осуществить к пишущей стороне). Фиксируем провода клеем.
- Закрепляем провода на поверхности носителя с помощью изоленты.
- Оставшиеся два провода соединяем с плюсом и минусом батарейки, после чего тщательно изолируем оголенные контакты с помощью изоленты.
- Берем калькулятор, включаем его и изолентой крепим к диску (который CD).
- Поверх калькулятора укладываем DVD диск и соединяем оба носителя изолентой.
- На поверхности DVD крепим батарейку, используя изоленту.
- Тестируем самодельный металлоискатель, сделанный из подручных средств.
Можно также сделать небольшую рукоятку, чтобы было удобно пользоваться прибором. Чаще всего такой вариант самодельного металлоискателя используется для поиска объектов в небольшом радиусе (к примеру, для того чтобы найти профиль при ). Для поиска монет и цветных металлов такая самоделка, конечно же, не подойдет, но все же для дома может пригодиться.
Видео инструкция по сборке металлоискателя из дисков
Пошаговая инструкция по сборке простого самодельного металлоискателя своими руками
Необходимые инструменты и материалы
Для сборки металлоискателя своими руками понадобятся:
- Инструменты: кусачки, ножик, пила мелкая, отвертка, паяльник.
- Материалы: провод, припой, флюс, клей, изолента, радиодетали, деревянная или пластиковая палка.
В качестве штанги, а также элементов ее крепления нужно использовать диэлектрики (полимеры, дерево, клей), чтобы они не вносили помех в работу металлоискателя.
Подготовка деталей
Нужно подготовить плату, на которой будет монтироваться электрическая схема. В качестве платы может использоваться даже картон. На ней от руки размечают расположение будущих деталей и проделывают отверстия.
Радиодетали покупают в магазине или выпаивают из старой аппаратуры. Однако нужно следить, чтобы детали были одинаковыми. Это позволит легче согласовать работу двух детекторов.
Чувствительного металлоискателя на базе схемы двухконтурного осциллятора
Этапы изготовления:
- Располагают на плате транзисторы, резисторы и конденсаторы и припаивают согласно приведенной ниже схеме.
- Припаивают два провода от батарейного отсека, а также два пьезоэлектрических динамика.
- Наматывают провод на круглый каркас диаметром около 22 см. После 10 витков делают отвод провода длиной 20 см. Провод в месте отвода не разрывают, а складывают руками пополам. Делают еще 20 витков. В результате должно получиться три вывода длиной 20 см: начало провода, конец и отвод после 10-го витка.
- Снимают катушку с каркаса, придерживая витки руками, и плотно фиксируют изолентой.
- Наматывают вторую катушечку, которая должна зеркально повторять первую. Снимают ее с каркаса и фиксируют изолентой.
- Припаивают согласно схеме выводы катушечных детекторов.
- Собирают подставку. Катушки располагают друг от друга на расстоянии примерно 15 см, а между ними прикрепляют плату.
- Настраивают детекторы перед закреплением. Включают металлоискатель и, перемещая руками катушки, добиваются максимальной тишины. Подносят металл к одной из них. Если звук заметно изменяется, значит, металлоискатель работоспособен.
- Фиксируют элементы клеем и замазывают масляным лаком.
- Прикрепляют к подставке рукоятку.

На трансформаторе с Ш-образными пластинами
Это простой параметрический металлоискатель с индуктивной обратной связью. Позволяет обнаруживать скрытую проводку, арматуру в стенах и перекрытиях, а также крупные металлы в почве. Трансформатор используется маломощный от любого радиоприемника. Чтобы своими руками превратить трансформатор в детектор, нужно разомкнуть его магнитопровод: снять каркас, прямые перемычки и обмотки.
Существуют две схемы переделки трансформатора. В первой используются старые обмотки, во второй они наматываются заново.
В первом случае Ш-образные пластины нужно сложить вместе и на них надеть обмотки. Обмотка на схеме II – сетевая, обмотка I – понижающая на 12 В. Конденсатором С1 настраивается тон звука. Вместо транзистора МП40 можно использовать КТ361.
Во втором случае на Ш-образные пластины наматываются обмотки на 1000 витков (на схеме I) и 200 витков (на схеме II). Для обмотки I используется провод ПЭЛ-0,1. Через 500 витков делается отвод. Обмотка II наматывается проводом ПЭЛ-0,2.
Трансформатор герметизируется и помещается на нижней штанге металлоискателя. При приближении к металлу в наушниках изменится тональность сигнала.
На транзисторах
Также несложная схема, состоящая из транзисторов К315Б или К3102, конденсаторов, резисторов, наушника и элемента питания.
Первый транзистор создает задающий генератор, второй – поисковый генератор. Если к катушке приблизить металл, в наушниках появляется звук. Подробная схема приведена ниже.

На микросхеме К561ЛЕ5
Схема состоит из микросхемы, наушников, резисторов и конденсаторов. Катушка L1 подключается к задающему генератору, а L2 – к поисковому генератору микросхемы. Металлический предмет влияет на частоту поискового генератора, меняя звук в наушниках. Настраивается МД конденсатором С6. Он устраняет лишние шумы. Напряжение питания прибора 9 В.

Основные параметры
Метод поиска
Индукционные металлодетекторы (МД) состоят из приемопередающей катушки индуктивности.
Излучаемый сигнал при попадании на металлический предмет отражается обратно и регистрируется приемником. Эти устройства достаточно просты в изготовлении своими руками, но их чувствительность сильно зависит от типа грунта и качества катушки.
Импульсные МД возбуждают в поисковой зоне вихревые токи и измеряют вторичное затухающее электромагнитное поле. Чувствительность этих приборов выше и не зависит от типа грунта. Однако они потребляют много электроэнергии, что не позволяет работать в автономном режиме продолжительное время.
Фазочувствительные МД могут быть:
- Импульсными. Приемник и передатчик здесь – один и тот же элемент. Он фиксирует сдвиг фаз отраженного от металла сигнала. Нарастание сдвига фаз вызывает в наушниках щелчки: чем ближе МД к металлу, тем чаще они становятся, в итоге сливаясь в единый звук. На этом методе основана работа популярного металлоискателя «Пират».
- Двухконтурными. Состоят из 2 симметричных генераторов и 2 детекторов. Металлический предмет нарушает синхронизацию генераторов, и возникают те же щелчки, сливающиеся в непрерывный тон.
- Параметрические МД не имеют ни приемной, ни передающей катушки, что делает их простыми, дешевыми и популярными для сборки своими руками. LC-генератор создает электромагнитное поле звуковой частоты. Любой металл рядом с металлоикателем изменяет параметры катушечного детектора, что влияет на частоту и амплитуду генерируемых сигналов. Схему таких приборов легко найти. Однако чувствительность их низкая и не позволяет вести сложные поиски. Параметрические МД делятся на:
- Частотные МД. Излучают многочастотные сигналы. При приближении к металлам прибор фиксирует изменение частоты.
- Металлоискатели, регистрирующие изменение добротности контура. Когда расстояние между прибором и металлом уменьшается, прибор фиксирует это.
Глубина обнаружения
Глубина обнаружения зависит от диаметра катушки, электронной схемы и частоты работы. Чем больше диаметр мотка провода, мощнее излучаемое электромагнитное поле и ниже его частота, тем глубже зона обнаружения металлоискателя, сделанного своими руками.
Однако с увеличением глубины поиска ухудшается чувствительность металлоискателя к мелким предметам, селективные возможности также снижаются. Возрастает энергопотребление и вес устройства, что усложняет длительное удержание металлоискателя в руках.
Частота работы
По частоте работы МД делятся на:
- Высокочастотные. Работают на частотах нескольких сотен кГц. Применяются в приборах, рассчитанных на поиски золота, так как имеют отличную дискриминацию. Но резко теряют чувствительность на мокрых и магнитных грунтах, а также на глубине больше 40 см.
- Среднечастотные. Частота работы до нескольких десятков кГц. Требования к качеству катушки ниже, хорошая чувствительность. Глубина обнаружения до 1,5 метров при условии, что грунт сухой и маломинерализованный.
- Низкочастотные. Работают на частоте от сотен Гц до нескольких кГц. Это глубинные металлоискатели, обнаруживающие предметы до 5 метров под землей. Они просты в изготовлении своими руками. Из недостатков: низкая чувствительность и высокое энергопотребление. Подходят в качестве магнитодетекторов, а также для поиска крупных предметов из черного металла (арматура, проводка).
- Сверхнизкочастотные. Не подходят для любительского поиска, так как имеют высокое энергопотребление и большие габариты, а для обработки сигнала требуются специальные программы. Частота работы до нескольких сотен Гц. Эти металлоискатели невозможно удерживать на руках, поэтому они устанавливаются на автомобиле.
Датчик для металлодетектора своими руками
Перед началом работы необходимо подготовить прибор, который будет точно мерить емкость и индуксивность. Теперь следует взять корпус для катушки и сделать вставки из текстолита в ушки. Для уплотнения используются куски ткани. Верхнюю поверхность ушек следует отшкурить. Ткань необходимо пропитать эпоксидной смолой. Когда все высохнет, следует все отшлифовать и вставить гермоввод, сделав таким образом заземление. Далее надо нанести специальный лак Дракон.
Теперь делаются обмотки, которые увязываются нитками. Все обмотки кладут в катушку и приклеивают конденсаторы. Можно все соединять и настраивать. Для заливки необходим корпус. Обязательно: металла рядом быть не должно. После заливки эпоксидку следует отшлифовать и тщательно просушить. Датчик подойдет для металлодетектора терминатор 3 и терминатор 4, которые являются самыми популярными моделями приборов.





































