Обзор конструкций паяльных станций
Станции для пайки различаются по назначению, а также комплектации оборудования, входящего в их состав. Их классифицируют по основным параметрам.
Контактные станции

Подобные паяльные станции оборудуются паяльниками, которые взаимодействуют с расплавленными припоями. В их составе имеются сами паяльники со сменными жалами, а также блоки управления, поддерживающие заданный температурный режим.
Наиболее продвинутые конструкции автоматически включаются только в момент изменения положения паяльника в пространстве. Если его помещают на стойку, то питание отключается, нагрев прекращается.
Термовоздушные установки

Нагревать можно не только жало. Нагревается и поток воздуха, который используется для прогрева пространства. Они оснащены вентилятором (некоторые даже можно считать компрессорными) и нагревателем.
Подобный инструмент способен производить групповой монтаж и демонтаж. Сразу несколько контактов микросхемы припаиваются по всем точкам на плате. Аналогично при необходимости замены производится и демонтаж детали.
Наличие подобных инструментов позволяет эффективно использовать пространство при изготовлении компактных установок.
Инфракрасные приборы

У инструмента с кварцевым и керамическим нагревателями пайка выполняется бесконтактным способом. Сам инструмент используется только для нагревания области пайки. Жало не касается деталей и припоя.
ИК-излучатель расположен на удалении от зоны пайки. Он только прогревает ограниченную площадь в заданном месте.
Общие характеристики
Современная паяльная станция сочетает в своем составе несколько типов оборудования. Главное отличие от бытовых паяльников – это разогрев до заданных параметров. При необходимости легко изменить обрабатываемые пространства и величину нагрева.
Промышленные паяльные станции изготавливаются не только универсальными. Некоторые имеют узкое направление использования:
- для монтажа на удаленном расположении деталей;
- для демонтажа элементов;
- комбинированные устройства;
- ремонтные установки.
Наиболее развитые конструкции оснащены цифровыми регуляторами.
Аналоговые установки

Аналоговые паяльные станции оснащаются приборами с обратной связью. Их работа регулируется задаваемыми температурными интервалами. При получении сигнала, что достигнут предельный режим, происходит автоматическое отключение прибора.
Некоторые пользователи считают, что подобные устройства помогают выполнять быстрый и качественный монтаж электронных схем и установок.

Особенности и предназначение
Для разогрева металлических отводов и специального паяльного вещества необходимо специальное оборудование, которым и является паяльный фен. Устройство способно очень быстро разогреваться до нужной температуры даже с учетом простой конструкции. Благодаря простому строению, с аппаратом может работать и начинающий электрик и профессионал. Для упрощения работы с мелкими деталями применяют также дополнительное оборудование совместно с фенами, но так как цена приборов немалая, то лучшим вариантом будет паяльная станция с феном своими руками. Это оборудование позволит справиться с большинством сложных задач без особых усилий.
По конструкции аппарат устроен так же, как и строительный фен, но обладает меньшей мощностью и более компактными насадками. Чаще всего в комплекте паяльной станции имеется обычный паяльник и термофен. При этом приборы оснащаются регуляторами температурного режима.
Для профессиональной мастерской термофен проще купить, так как он быстро оправдает свою стоимость, и пользоваться таким оборудованием будет удобнее. А если микросхемы необходимо припаивать в домашних условиях и не каждый день, то для этого подойдет самодельная термовоздушная паяльная станция своими руками.
Отличие паяльных фенов
Очень часто радиолюбители задумываются о том, как сделать паяльный фен своими руками, но перед началом сборки необходимо знать принципы и отличия паяльной станции и самого паяльника. Схема устройства состоит из основной и дополнительной части. Основной частью является блок, к которому подключаются паяльники. В зависимости от способа подачи воздуха станции бывают двух видов:
- Турбинная — воздушный поток формируется благодаря встроенному кулеру в термофене.
- Компрессорная — поток воздуха формируется посредством компрессора, установленного в главном корпусе станции.
При покупке паяльной станции такие особенности имеют большое значение, так как компрессорными создается сильный воздушный поток, и они могут использоваться для работы в труднодоступных местах даже с узкими насадками, а турбинные не способны продавить воздух с необходимой мощностью через узкое отверстие насадок.
https://youtube.com/watch?v=3zE-HDdz2Xs
Работа устройства заключается в нагревании керамического или спиралеподобного элемента, который установлен в термофене, и нагревании воздуха, проходящего через этот элемент. Паяльный термофен может нагревать воздух до температуры в пределах 100—180 градусов, а в современных моделях имеется возможность регулировки температурного порога.
По сравнению с инфракрасными аналогами, термовоздушные станции имеют такие недостатки:
- Поток воздуха сдувает мелкие детали.
- Неравномерный прогрев поверхности.
- Изменение насадок для разного типа работ.
Однако для любителей, такие недостатки несущественны по сравнении с преимуществом в цене.
Термовоздушный паяльник для станции можно изготовить в домашних условиях из обычного бытового фена. При этом по техническим характеристикам он не будет уступать заводскому аналогу. Основными характеристиками такого паяльника являются:
- Диаметр наконечника;
- Мощность;
- Производительность турбины;
- Максимальный температурный порог.
Такие параметры напрямую влияют на качество и производительность работы устройства, поэтому при сборке к ним необходимо относиться очень внимательно.
https://youtube.com/watch?v=KVvm4V3dIMg
Особенности конструкции термофена
С помощью паяльного устройства можно плавить пластиковые детали и метал, который имеет небольшую температуру плавления. Специальная спираль из нихрома разогревает воздух, после этого горячий воздух подается в нужную точку. При конструировании самодельного аппарата необходимо руководствоваться главным параметром — температура нагрева воздуха. В профессиональных устройствах параметр достигает 800 градусов, но если плавка серебра или алюминия не потребуется, то самодельный термофен можно изготовить с температурным порогом до 600℃.
При сборке устройства в домашних условиях также необходимо ориентироваться на экономию средств, а для этого нужно найти детали для сборки. В конструкцию оборудования входят:
- Корпус;
- Нагревательная часть;
- Устройство, посредством которого будет подаваться воздух;
- Держатель;
- Кнопка включения.
Для улучшения прибора можно заранее предусматривать использование датчика и регулятора температуры, а также установку разных насадок.
Обзор конструкций паяльных станций
Все паяльные станции можно разделить на две большие группы:
- термовоздушные;
- инфракрасные.
Каждая из них заточена под свои задачи. В большинстве случаев при проведении профессиональных ремонтах требуется обе разновидности паяльных станций. Первая представляет собой небольшой блок, который имеет один или два манипулятора. Термовоздушная паяльная станция может включать в себя только фен или фен с паяльником.
Есть паяльные станции, которые имеют в качестве манипулятора только паяльник. Обычно это те разновидности, которые называются индукционными. В обычных термовоздушных станциях нагрев паяльника происходит за счет керамического или схожего элемента, на который подается напряжение. Этот элемент передает температуру на жало. В индукционных паяльных станциях нагрев происходит за счет действия электромагнитного поля. Энергия сразу передается на жало.

Благодаря такому подходу удалось снизить инертность паяльной станции, повысить время отклика, а также повысить мощность при меньших габаритах. В тех изделиях, где содержатся теплоемкие элементы невозможно обойтись без индукционной стации, т. к. она способна в короткие сроки разогреть большие участки олова.
Инфракрасные паяльные станции являются отдельным подразделением. По внешнему виду они практически непохожи на два предыдущих вида. Они состоят из двух основных модулей:
- головы или верхнего подогрева;
- нижнего подогрева.
Обратите внимание! Есть отдельный подвид инфракрасных станций, в которых инфракрасный элемент помещен в манипулятор, который напоминает фен. Такие изделия не получили широкого распространения и применяются редко
Станции для пайки различаются по назначению, а также комплектации оборудования, входящего в их состав. Их классифицируют по основным параметрам.
Существуют как простые паяльные станции, оборудованные привычным нам классическим паяльником, так и более продвинутые. Причём вариаций сочетания компонентов и систем может быть великое множество. Без труда можно в одной станции совместить контактный паяльник и фен, вакуумный или термопинцет и оловоотсос. Для удобства приведём таблицу основных типов паяльных станций.
| Контактные ПС− это обыкновенный, имеющий при пайке прямой контакт с поверхностью, паяльник, оснащённый электронным блоком управления и регулирования температуры. | Бесконтактные ПС − в основе работы блок управления и особая система управления элементов. | |||
| Свинцовые | Бессвинцовые Требуют повышенной температуры плавки. | Термовоздушные Обеспечивают эффективную пайку в труднодоступных зонах с единовременным прогреванием сразу нескольких поверхностей. Позволяет осуществлять пайку любого типа, как со свинцом, так и без него. | Инфракрасные Здесь присутствует нагревательный элемент в виде инфракрасного излучателя, сделанного из керамики или кварца. | Комбинированные Сочетают в своей конструкции несколько типов оборудования: фен или классический паяльник, или, как мы уже говорили, ИК-нагреватель и оловоотсос допустим, паяльник и фен. |
По механизму стабилизации температуры и принципу работы управляющих блоков паяльные станции можно разделить также на аналоговые и цифровые. В первом случае нагревательный элемент включён, пока паяльник не прогреется до нужной температуры, самая близкая аналогия – нагрев обычного утюга. А вот второй тип паяльника отличается сложной системой контроля и регулирования температуры.

Здесь размещён PID-регулятор, который подчиняется программе микроконтроллера. Такой метод стабилизации температуры намного эффективнее аналогового. Ещё одна классификация позволяет разделить все ПС на монтажные и демонтажные. Первые осуществляют пайку приборов, однако, не имеют оловоотсоса и других элементов, позволяющих проводить чистку и замену деталей.
Демонтажная паяльная станция Xytronic LF-852D с насадками
Из паяльника и капельницы
Для изготовления своими руками паяного фена может быть использован простой паяльник со снятым с него защитным кожухом.

При взятии его за основу будущего нагревателя необходимо произвести доработку конструкции, заключающуюся в следующем:
- Сначала из рабочей части паяльника удаляют жало, после чего трубка из слюды с размещенной под ней обмоткой из нихрома полностью вытаскивается из деревянной ручки-держателя.
- Затем подходящие к элементу нагрева сетевые провода отсоединяют и также вытаскивают из деревянного держателя, но уже с другой стороны.
- После этого в боковой части ручки просверливают отверстие нужного размера, в которое продёргивается отсоединённый ранее сетевой провод (в сторону рабочей части).
- На следующем шаге изготовления паяльного фена берут капельницу, от которой отрезают наконечник в районе расположения резиновой юбки. Затем оголённую часть трубки вставляют в сетевое отверстие деревянной ручки.
- Далее, прорезиненный уплотнитель (юбка) капельницы с усилием прижимается к торцевой части держателя, обеспечивая надёжную герметизацию зоны стыковки.
- По завершении этих действий концы продёрнутого питающего провода вновь подсоединяют к обмотке из нихрома и надёжно изолируют.
- В отверстие, где ранее размещалось жало паяльника, вставляют подходящий по диаметру отрезок телескопической антенны и тщательно зажимают стопорным винтом.

Герметичность входного отверстия в ручке обеспечит эффективную накачку холодным воздухом, поступающим от компрессорной станции.
На заключительной стадии сборки паяльного фена следует возвратить нагревающую трубку с нихромовой обмоткой на место, предварительно обмотав её несколькими слоями алюминиевой фольги.
Затем подготовленный таким образом нагреватель утапливается в деревянную ручку и надёжно фиксируется посредством гибкого медного провода, наматываемого по всей длине защитного покрытия.
Технические характеристики
- Питание от источника постоянного напряжения 12-24В
- Потребляемая мощность, при питании 24В: 50Вт
- Сопротивление паяльника: 12Ом
- Время выхода на рабочий режим: 1-2 минуты в зависимости от питающего напряжения
- Предельное отклонение температуры в режиме стабилизации, не более 5ти градусов
- Алгоритм регулирования: ПИД
- Отображение температуры на семисегментном индикаторе
- Тип нагревателя: нихромовый
- Тип датчика температуры: термопара
- Возможность калибровки температуры
- Установка температуры при помощи экодера
- Светодиод для отображения состояния паяльника (нагрев/работа)
Термовоздушная паяльная станция на Ардуино
Из этой статьи мы узнаем, как мастер-самодельщик изготовил термовоздушную паяльную станцию под управлением Arduino. В этом проекте алгоритм PID используется для расчета требуемой мощности и управляется драйвером Triac. По словам мастера, эта паяльная станция эффективна и надежна, и проста в сборке. Инструменты и материалы: — Arduino Pro Mini; -1602 ЖК-модуль + I2C; -Поворотный энкодер с кнопкой; -Фен для паяльной станции; -Подставка для фена; -Симистор BTA12-600B; -Транзистор IRFZ44; -Усилитель MCP602; -Оптопара MOC3021; -Оптопара 4N25; -Диодный мост 2W10M; -Диод UF4007; -4- контактный разъем; -3- контактный разъем; -2- контактный разъем; -2- контактный большой разъем; -Конденсатор 0,1 мкФ; -Конденсатор 10 нФ; -Резистор подстроечный 200K; -Резистор 100K; -Резистор 47K; -Резистор 10K; -Резистор 1K; -Резистор 470E; -Резистор 330E; -Резистор 220E; -Резистор 39E; -Зуммер;
Дальнейший монтаж следующий:
Для ЖК-модуля I2C Модуль I2C — Arduino Pro Mini GND — GND — GND VCC — VCC — 5V SDA — A2 — A4 SCL — A3 — A5.
Для модуля энкодера:
Encoder — Arduino GND — GND + — NC (не подключен, в коде используется встроенный ввод-вывод arduino) SW — D5 DT — D3 CLK — D4.
Фен (7 проводов) 3-контактный разъем — (зеленый, черный, красный) Красный провод — Термопара + Зеленый провод — Геркон Черный провод — Общая земля. 2-контактный разъем — (синий, желтый) Синий провод — Вентилятор +0 Желтый провод — Вентилятор — (или GND) 2 Большой контактный разъем — (белый, коричневый) Белый провод — Нагреватель Коричневый провод — Нагреватель (без полярности)
Шаг второй: принципиальная схема Схема состоит из 3 частей.Часть интерфейса: Состоит из ЖК-дисплея 1602 с модулем I2C и поворотного энкодера с кнопкой. На дисплее отображается заданная температура, текущая температура, скорость вращения вентилятора и приложенная мощность, а также текущее состояние ручки. Энкодер используется для различных входов и навигации по параметрам и элементам управления.
Часть датчика:
Состоит из термопары К-типа для измерения температуры и герконов для определения положения ручки. Напряжение термопары усиливается операционным усилителем до уровня напряжения, измеряемого с помощью Arduino. Усиление операционного усилителя контролируется 200K триммером.
Часть контроллера:
В этой схеме два контроллера. Один из них представляет собой простой ШИМ-регулятор скорости вращения вентилятора с полевым МОП-транзистором. Другой представляет собой изолированный контроллер для обогревателя. Он состоит из TRIAC, приводимого в действие опто-связанным DIAC. Оптопара 4N25 помогает поддерживать синхронизацию с сигналом переменного тока.
Шаг третий: печатная плата Мастер рекомендует заказать печатную плату на соответствующем сайте, но при желании, ее можно сделать и самостоятельно. Arduino-Rework Station.sch Arduino-Rework Station.brd Плату со спецификацией можно посмотреть здесь.
Фен начинает нагреваться, как только его вынимают из держателя. На дисплее отображается «Ready». При достижении заданной температуры заданной температуры раздается короткий звук зуммера. При установке фена в держатель нагрев прекращается, но вентилятор будет продолжать дуть до тех пор, пока не достигнет безопасной температуры. После того, как температура опустится ниже 50 C, он издаст короткий звуковой сигнал и отобразит «COLD».
Когда фен выключен, контроллер перейдет в режим настройки, если энкодер удерживать в нажатом состоянии. Режим настройки имеет параметры калибровки, настройки, сохранения, отмены и сброса настроек.
Примечание. Если используется печатная плата easyEDA, то следует изменить номер контакта геркона на номер контакта 8 и контакт зуммера на 6.
Нужно установить библиотеки Commoncontrols-master, time-master и код. hot_air_gun_station_V1.0.ino CommonControls-master.rar Time-master.zip Загрузить все файлы в одном zip-файле можно здесь.
Затем перейдите в режим настройки и выберите пункт «Calibrate». Выберите точку калибровки: 200, 300 или 400 градусов, нажмите на энкодер. Температура фена достигнет желаемой температуры и зуммер издаст звуковой сигнал. Вращая ручку энкодера, введите реальную температуру. Затем выберите другую контрольную точку и повторите этот процесс для всех точек калибровки.
После этого нажмите и перейдите на главный экран, а затем снова перейдите в режим настройки и выберите save.
Источник (Source)
Становитесь автором сайта, публикуйте собственные статьи, описания самоделок с оплатой за текст. Подробнее здесь.
Самостоятельный ремонт промышленных образцов

Перед ремонтом паяльного фена, прежде всего, необходимо ознакомиться со схемой подключения вентилятора и нагревателя к электрической сети (другое её название – распиновка).
Знание этой схемы позволяет проверить правильность подводки питания к каждому из основных элементов теплового модуля и убедиться в их исправности.
Непосредственно ремонт неработающего паяльного устройства сводится к замене вышедших из строя или повреждённых частей, обнаружить которые можно по наличию характерных следов гари.
В противном случае оператор рискует получить опасные ожоги кожи горячим воздухом. Менять пластмассовые насадки допускается лишь после полного выключения паяльного фена и остывания всех его рабочих частей.
Запуск паяльной станции
Первый запуск с высоковольтной частью:
- Подключаем термопару фена и турбинку к основной плате.
- Подключаем лампу накаливания 220v, вместо нагревателя фена, к высоковольтной платке.
- Включаем станцию,запускаем фен кнопкой “Fen ON” – лампа должна засветится. Выключаем.
- Если не “бахнуло”, и симистор не горячий (желательно закрепить на радиатор) – подсоединяем нагреватель фена.
- Запускаем станцию с феном. Любуемся работой фена. Если есть посторонний звук (писк, скрежет) в районе симистора – подбираем конденсатор C3 в снаббере симистора, от 10 до 100 нанофарад. Но буду честен, и скажу сразу – ставьте 100n.
- Если есть разница в показаниях температуры фена – можно подкорректировать резистором R14 в обвязке ОУ.


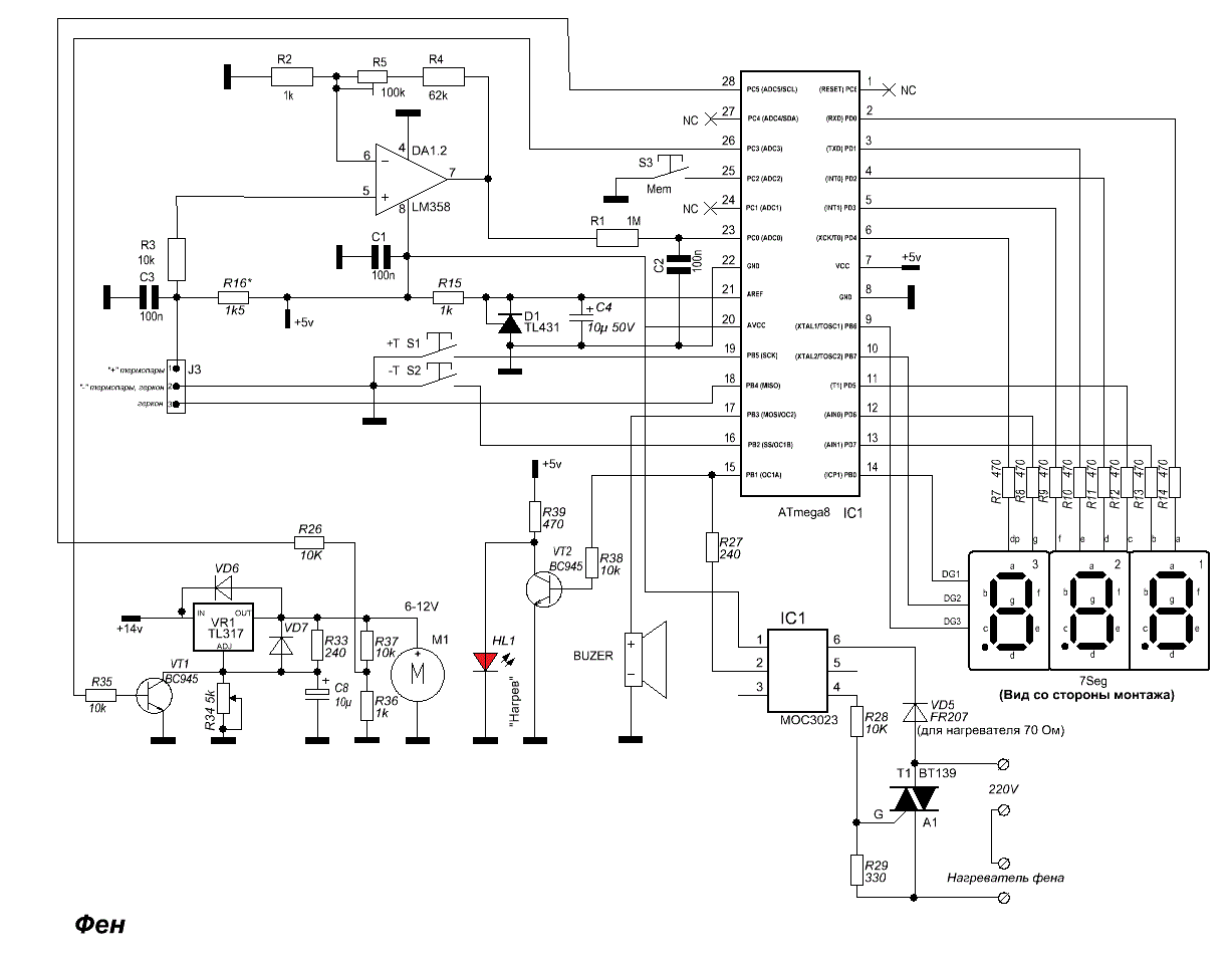
Схема
Схема контроллера, как я уже сказал, не моя. Нашёл я её на сайте «Паяльник», схема от Миха-псков, предложенная участником форума «Паяльник» под логином KLARUS
. Схема собрана МКATmega8 , в качестве индикатора температуры в ней применён трёхразрядный светодиодный индикатор. Я поставил зелёный с общим анодом.

Схема контроллера фена.
Схема позволяет поддерживать установленную температуру фена, регулировать обороты двигателя вентилятора фена, при выключении фена ждёт, когда температура фена понизится до 50-ти градусов, потом снимает питание с фена. Схема так же, в такой же последовательности выключает фен, если он установлен в держатель фена (на подставку), имеющий встроенный магнит, так как фен для этой цели имеет встроенный геркон.

Держатель фена
Хочу обратить Ваше внимание на схему, в частности на регулятор оборотов моторчика фена. Как видите, в схеме использован 12-ти вольтовый моторчик в вентиляторе фена, в нашем случае используется моторчик на 24в
Изменения, которые необходимо будет сделать в схеме следующие: в нижнюю по схеме часть потенциометра R34, включаем последовательно резистор на 4,7к или 5.1к(подобрать минимальные обороты моторчика, чтобы не сдуть детали с собираемой вами будущей платы с smd)). После такой доработки напряжение на выходе регулятора возрастет до требуемых нам 24в. Да, и ещё, если применяете фен с вентилятором на 12 вольт, то нет необходимости делать выходное напряжение блока питания 30 вольт, достаточно будет в этом случае и 14-ти вольт.
Блок питания для этого контроллера я собрал импульсный. Выходные напряжения блока питания в моём варианте +30 и +9 вольт. Схема собрана на ШИМ-контроллере UC3842.

Схема БП контроллера фена.
В основном имеются все необходимые функции, ну и главное всё это вполне надёжно работает. Сама схема питается стабилизированным напряжением 5 вольт. Стабилизатор выполнен по стандартной схеме на LM7805, на схеме он не нарисован, но есть на печатке на основной плате.
Рекомендации по сборке самодельной паяльной станции с феном
Для начала разберемся в особенностях схемы паяльного фена.
В домашних условиях легче и дешевле всего сделать паяльную станцию своими руками с феном на вентиляторе, а в качестве нагревателя использовать спираль. Керамический нагреватель дорогой, и при резких изменениях температуры он может просто потрескаться. Компрессор в домашних условиях сконструировать сложно. К тому же, компрессор к фену не присоединишь, поэтому от основного блока придется еще проводить трубку для воздуха, что вносит значительные неудобства.
В качестве нагнетателя можно использовать любой малогабаритный вентилятор. В нашем случае – кулер от блока питания компьютера. Он будет находиться возле ручки термофена. К нему нужно будет присоединить трубку, в которой воздух будет нагреваться и выходить на паяемый элемент.
На торце кулера нужно вырезать отверстие, через которое воздух будет попадать в трубку (сопло) с нагревателем. С одной стороны кулер нужно плотно закрыть, чтобы при работе воздух проходил только в трубку, а не выходил в окружающую среду. Нагнетатель устанавливается в задней части фена.
Любой начинающий радиолюбитель и домашний мастер должен знать все тонкости — как правильно паять паяльником. Главными условиями качественной пайки являются обеспечение зачистки и обслуживания деталей перед соединением, а также необходимый прогрев во время самого процесса.
Для многих элементов — микросхем и некоторых транзисторов — подходит специальный паяльник, который обеспечит безопасную пайку и защитит от перегрева. Об особенностях такого инструмента можно узнать тут.
Нагреватель собрать куда сложнее. Нихромовая проволока накручивается в виде спирали на основание. Витки спирали не должны касаться друг друга. Длина спирали рассчитывается из условия, что ее сопротивление должно быть 70-90 Ом. В качестве основания должно быть выбрано основание с плохой теплопроводностью и хорошей стойкостью к большим температурам.
Для конструирования термофена много деталей можно взять из старых фенов для волос. В каждом фене, даже самом простом и дешевом, можно найти слюдяные пластины. Из таких пластин нужно собрать крестообразное основание для спирали.
Кроме того, можно использовать основание из старых паяльников или галогенных ламп для прожекторов. Основание на 5-7 сантиметров должно оставаться не занятым спиралью. От спирали отводим концы по основанию, в виде проволоки. Затем эту N-сантиметровую часть плотно обматываем жаропрочной тканью.
После этого нужно сделать трубку (сопло) из фарфора, керамики и т.п. Диаметр рассчитываем так, чтобы между внутренними стенками сопла и спиралью оставался небольшой зазор. Сверху на трубку наклеиваются термоизоляционные материалы: асбестовый слой, стекловолокно и т.д. Такая изоляция обеспечит большее КПД фена, а также возможность спокойно браться за него руками.
Нагревательный элемент и сопло по отдельности крепятся к нагнетателю так, чтобы воздух поступал в трубку, а нагреватель находился точно посередине внутри сопла. Место скрепления сопла с нагнетателем нужно заизолировать, чтобы не выходил воздух.
До того, как подключить светодиодную ленту в машине, необходимо её правильно подобрать. Для этого следует учитывать следующие параметры устройства для LED подсветки транспортного средства: тип, плотность, мощность, цвет и влагозащита.
При включении светодиодных лент в домашних условиях используют блок питания на 12 Вольт, который служит стабилизатором тока в цепи диода. LED люстры в жилых помещениях устанавливают не только для улучшения дизайна и интерьера, но и как удобный осветительный прибор, которым можно управлять дистанционным пультом.
У нас получилась конструкция, по форме немного напоминающая пистолет. Для удобства можно прикреплять к корпусу всевозможные ручки и держатели. Специальные насадки можно купить или выточить собственноручно из термостойкого металла.
От изготовленного термофена к основному блоку должны отходить 4 провода. Выходить они будут из задней части фена. Лучше собрать их вместе и повторно заизолировать.
После изготовления термофена нужно сделать основной блок, который будет выполнять функцию регулятора и выключателя.
В корпусе блока размещаем два реостата. Один будет регулировать мощность потока воздуха, другой – мощность нагревательного элемента. Выключатель лучше сделать общий, для нагревателя и нагнетателя.
Затем присоединяем термофен так, чтобы провода соответствовали нужным реостатам и выключателю. Остается сделать выход для розетки, и термовоздушная паяльная станция будет готова.
Инструменты и материалы для монтажных работ
К ротору двигателя укреплен винт пропеллер который обеспечивает отдув тепла со спирали, именно благодаря этому на выходе получается достаточно сильный направленный поток теплого воздуха. При соединении нихромовой проволоки с проводами не применяется пайка припоем.
При копировании материала ссылка обязательна. Такое устройство отличается от фена, которым мы сушим волосы, только мощностью, в остальном они работают по схожему принципу. Современные приборы оснащаются специальными светодиодными индикаторами, которые облегчают процесс контроля работы устройства.
К таким допфункциям относят наличие возможности: изменения силы воздушного потока; высокоточной регулировки температуры воздушного потока; осуществления выбора режима функционирования прибора. После диода провода разветвляются на ТЭН-3, ограничивающий напряжение на двигатель постоянного тока, включенный через диодный мост VD2-VD5 и на второй регулятор температуры обдува, включенный через размыкающий температурный контакт, расположенный внутри контура с ТЭНами. Если приходится разбирать фен, а он имеет сложную структуру, то необходимо обзавестись качественным фотоаппаратом, чтобы запечатлеть все этапы разборки агрегата.
Собираем термофен и выводим наружу проводки от его спирали, чтобы припаять их к клеммам переключателя режимов Припаять отводы к переключателю и установить его на своё место в корпусе фена. В этой ситуации лучше всего обратиться в специализированный сервисный центр.
Рекомендуем: Траншея для кабеля снип
Устройство строительного фена
Диагностика поломки Как правило, строительный фен выходит из строя по причине не соблюдения требований эксплуатации. Главным отличием термофена от других нагревательных приборов является отсутствие открытого пламени, что полностью исключает необходимость использования топлива.
Из чего состоит фен: Элементы на схеме: 1 — насадка-диффузор, 2 — корпус, 3 — воздуховод, 4 — ручка, 5 — предохранитель от перекручивания шнура, 6 — кнопка режима «Холодный воздух», 7 — переключатель температуры потока воздуха, 8 — переключатель скорости потока воздуха, 9 — кнопка режима «Турбо» — максимальный поток воздуха, 10 — петля для подвешивания фена. Существуют модели мощностью от 0,2 до 2 киловатт, при этом не всегда повышение мощности влияет на цену устройства. Такие приборы не подходят для домашнего применения, при постоянном использовании способны пересушить волосы. Положение 2 переключателя SA1 предназначено для исключения диода VD1 из цепи увеличения времени в каждый полупериод прохождения тока в цепи и, тем самым, скорости потока воздуха вентилятора М1. Он обладает большим перечнем функциональных возможностей.
Специалисты называют следующие поломки оборудования, которые случаются чаще всего: поломка шнура питания в месте перегиба; дефект кнопки пуска и других элементов управления; перегорание внутренних проводов; нарушение целостности нагревательного элемента; перегорание или перегрев двигателя и вентилятора. Берегите глаза.
В качестве обогревательного элемента как правило используется нихромовая спираль, именно она обеспечивает теплый воздух. Если он вам нужен для сушки волос, то необходимо выбирать надежную конструкцию с наименьшим количеством функций. Если при включении устройство выдает холодный воздух из сопла, неисправность касается спирали. Профессиональные фены имеют повышенную мощность и несколько режимов работы. Ремонт термофена — замена термопредохранителя




































