Пошаговая инструкция изготовления печи на отработке
Размеры можно выбрать самостоятельно с учетом подходящей схемы.
Работы выполняются по следующей инструкции:
- Берется труба, диаметр которой составляет двести десять миллиметров, стенки имеют толщину десять миллиметров, значение высоты – семьсот восемьдесят миллиметров;
- Дно вырезается из стального листа толщиной пять миллиметров. Его размер соответствует двести девятнадцати миллиметрам. Приваривается;
- В качестве ножек можно применить болты, которые тоже привариваются;
- От донной части откладывается семьдесят миллиметров. На этом уровне выполняется смотровой проем, через который отслеживается процесс горения. Размеры выбираются произвольно, а для дверцы подойдет кусок трубы на тонком приваренном буртике. Чтобы обеспечить герметичность, применяют шнур из асбеста;
- Для обеспечения дымоотвода приваривается труба. От верха с противоположной стороны отступают от семи до десяти сантиметров. Толщина стенок соответствует четырем миллиметрам, а диаметр ста восьми миллиметрам;
- Вырезают круг диаметром двести двадцать восемь миллиметров;
- Бортик приваривается по краю. Его размеры сорок на три миллиметра;
- Делается два отверстия. По центру – восемьдесят девять, а сбоку – восемнадцать миллиметров, с крышкой в виде клапана;
- Труба для подачи воздуха выполняется по высоте семьсот шестьдесят миллиметров, по толщине три, а диаметр соответствует восьмидесяти девяти;
- Девять отверстий сверлятся по окружности;
- Два ряда по восемь отверстий надо просверлить более высоко;
- Четвертый ряд выполняется через пять сантиметров из девяти отверстий;
- Болгаркой нарезают девять прорезей с этой же стороны;
- На другом конце предстоит вырезать отверстие, в которое вставляется топливная труба на том же уровне, что и воздушная труба. Привариваются.
Топливная чаша изготавливается привариванием к куску трубы стального круга.

Чашу монтируют на расстоянии от дна, которое составляет семьдесят сантиметров, затем проводится установка крышки наряду с печкой, как для подачи топлива, так и воздуха. На патрубок устанавливается дымоходная часть с утеплением в части уличного отрезка. Наклонов быть не должно. Направление строго по вертикали.










При желании можно несколько усовершенствовать подобную печь, воспользовавшись для этого описанием и схемами наряду с наглядным видеоматериалом.

Печь на отработанном масле с водяным контуром
Зимой остро встает вопрос о том, как отопить небольшое помещение без десятков килограмм сожженного угля/дров, а также без специального оборудования. К счастью, уже давно есть довольно простое решение – печь на отработке.
В то время, как обычные печи довольно дорогие в эксплуатации, а плюс к этому и менее эффективные для небольших помещений. Печь, работающая на старом техническом масле, способна нагреть помещение площадью более 80 «квадратов».
Кроме того, её даже не обязательно покупать, хоть и стоит она довольно мало. Вы можете сделать её своими руками буквально из металлолома, потратив несколько часов времени (тут уж предугадать невозможно – у всех людей разные способности).
Нужно лишь посмотреть видео и чертежи из этой статьи.
Важно
Еще один важный фактор – ломаться, ввиду простой конструкции, там практически нечему. Вещь долговечная, поэтому можно без опасения приобретать даже очень старые печи на отработанном масле через знакомых или используя специальные доски объявлений. Но если вы хотите сэкономить – советуем прочесть нашу статью до конца.
Вы сможете не только посмотреть на видео, как этот агрегат работает, но и разобраться в его устройстве, дабы потом сделать нечто похожее своими руками. Мы рассмотрим конкретную модификацию – печь на отработке с водяным контуром, которая способна обогреть огромную площадь и практически не требует ухода (кроме чистки).
Как работает агрегат на отработанном масле
Перед тем, как приступить к изготовлению оборудования своими руками. советуем ознакомиться с принципом работы этой печи. Конечно, можно посмотреть видео, но там вы не найдете ответа на многие вопросы, которые у вас возникнут в процессе.
Прелесть этой конструкции в простоте, при первом взгляде мало кто может поверить, что данный небольшой агрегат способен дать такое количество жара, которого хватит на отопление сравнительно большого помещения. На деле было доказано, что с использованием наддува и обдува (эти системы служат для увеличения эффективности) можно отопить, как минимум,
Конструкция печи
Увидев на видео или фотографии то, как выглядит данная конструкция, вы сразу поймете, что повторить такое сможет любой человек, имеющий прямые руки. Состоит агрегат, работающий на масле, всего из двух резервуаров – они находятся на расстоянии друг от друга и соединены лишь трубой.
Труба имеет отверстия (довольно крупные), находящиеся на определенном расстоянии друг от друга.
Нижний элемент используется в качестве бака – туда вы заливаете отработанное масло, там же происходит первичный розжиг с применением бензина/растворителя или обычной тряпки/бумаги – тут уж кому как удобнее. После того, как масло занялось, начинают выделяться пары – они поднимаются в верхний резервуар.
Важно
Там происходит бурная реакция горения, в результате чего генерируется огромное количество тепла. Советуем использовать для создания печи толстые листы железа, ведь температура воздействия на материал будет огромной. Если листы будут тонкими, то уже после первого запуска всю конструкцию перекосит и пользоваться ей будет невозможно.
Также часто для создания подобных агрегатов используют готовые элементы. Самый популярный вариант – старый газовый баллон или металлические бочки.
Баллон имеет толстые стенки, такая конструкция «живет» очень долго и терпит грубую эксплуатацию.
Бочку же легче найти, чем газовый баллон, да и стоит она дешевле, но отработает она поменьше, ведь зачастую они состоят из довольно тонких листов железа.
Зачем нужен водяной контур
Если использовать классическую схему для подобной печи, то единственный вариант распространить тепло – с помощью вентилятора. Если в доме несколько комнат, то никаким образом это сделать не удастся.
Тут приходит на помощь водяной контур. Говоря простым языком – такой способ подразумевает циркуляцию воды по трубе. Она нагревается возле печи, которая работает на масле, после чего направляется по трубе в другие помещения.
Затем возвращается обратно остывшей и так далее по кругу.
Технически это выглядит следующим образом – емкость устанавливается непосредственно на печке. В этом резервуаре находится выход в отопительный контур. куда поступает нагретая вода. Она делает «круг» и возвращается туда же. Таким образом, пока печь работает, по помещению циркулирует горячая вода .
По сути, данный способ является отличной системой автономного отопления. Сделать это на обычной печи вряд ли получится – она должна быть действительно больших размеров, а весь процесс нужно автоматизировать. То есть – капельная подача топлива. наддув, а также огромный дымоход для приличной тяги.
Как сделать печь на отработанном масле
Количество автомобилей на наших дорогах растет из года в год. Повышается и уровень вредных выхлопных газов в атмосфере, увеличивается масса изношенных шин и запчастей на свалках. Однако, один вид автомобильных отходов все же может принести реальную пользу. Это отработка масла из двигателя и прочих узлов и агрегатов, применяющаяся многими автолюбителями и даже домовладельцами в качестве энергоносителя для обогрева гаражей и домов. Главную роль здесь играет печь на отработанном масле, чаще всего – самодельная. Цель нашей статьи – рассказать об устройстве подобных печек и способах их изготовления в домашних условиях.
Достоинства и недостатки
Из явных плюсов данной печи стоит выделить низкую стоимость топлива. Отработанное масло не очень дорогое, а если найти человека, который занимается скупкой и продажей, то можно договорившись на скидку получать отработанное масло почти за бесплатно. Таким образом можно бюджетно обустроить отопление в гараже, за счет печи на отработке. Также из плюсов стоит отметить, что при сжигании масла не получается каких-либо вредных соединений. Если выполнить всё правильно, то не надо будет даже чистить печь после долгого использования. Тем самым вы сможете использовать такую систему отопления даже в плохо проветриваемом помещении, однако мы всё равно рекомендуем организовать приток свежего воздуха. Дело в том, что при горении печи на отработке требуется много кислорода,что приводит к «выгоранию» кислорода. Так же из плюсов стоит отметить низкие затраты на саму печь. За счет того что в основном при её сборке используются б/у баллоны или обрезки металла, стоимость будет невелика. А если есть навыки сварки и понимание чертежей, собрать такую печь самостоятельно не составит никакого труда и будет практически бесплатной.
Минусы у такой системы тоже есть и на них стоит уделить пристальное внимание
Как и любой другой открытый тип печи, важно, чтобы место, рядом с которым будет стоять сама печь, было чистым. Нужно убрать все вещи и предметы, которые могут загореться от высоких температур, а также любую продукцию, которая легко воспламеняется
В идеале стоит отодвинуть и то, что может начать плавиться. Поскольку печи такого типа ничем не обшиваются, для того чтобы обеспечивать постоянный приток кислорода для поддержания процесса горения и полного сгорания топлива. Если не обеспечить постоянный приток кислорода, это может вызвать выделение опасных испарений. Еще одна из особенностей эксплуатации заключается в том, что из-за того что материал корпуса печи в процессе работы раскаляется докрасна, необходимо для обеспечения пожарной безопасности использовать только углекислотные огнетушители. В случае применения порошковых есть риск взрыва пены об раскаленный металл. Ещё из-за конструктивных особенностей такие печи легки в создании, но сложны в управлении. Даже после того, как вы полностью закроете перегородку – нужно будет ждать выгорания топлива, пусть и в более спокойном темпе
Нужно убрать все вещи и предметы, которые могут загореться от высоких температур, а также любую продукцию, которая легко воспламеняется. В идеале стоит отодвинуть и то, что может начать плавиться. Поскольку печи такого типа ничем не обшиваются, для того чтобы обеспечивать постоянный приток кислорода для поддержания процесса горения и полного сгорания топлива. Если не обеспечить постоянный приток кислорода, это может вызвать выделение опасных испарений. Еще одна из особенностей эксплуатации заключается в том, что из-за того что материал корпуса печи в процессе работы раскаляется докрасна, необходимо для обеспечения пожарной безопасности использовать только углекислотные огнетушители. В случае применения порошковых есть риск взрыва пены об раскаленный металл. Ещё из-за конструктивных особенностей такие печи легки в создании, но сложны в управлении. Даже после того, как вы полностью закроете перегородку – нужно будет ждать выгорания топлива, пусть и в более спокойном темпе.
Как избежать недостатков?
Недостатки можно нивелировать качественным исполнением самой печи и трепетным отношением к технике безопасности. Самой проблемной и опасной частью таких печей является – бак. Всё дело в том, что неправильная конструкция и не следования чертежам, может привести к тому, что после нагревания он взорвётся. Однако это можно исправить, если использовать горелку из металлической чаши с высоким уровнем плавления, а после сделать капельную систему подачи масла. Таким образом после попадания масла в камеру – оно сразу будет закипать.

У такой системы есть минус, отработка не сгорает полностью, однако это можно исправить, если увеличить доступ к кислороду по средствам дополнительной трубки для смешивания его, из окружающей среды, с пиролизом. В связи с этим настоятельно призываем внимательно ознакомиться с рекомендациями и чертежами исполнения печей на отработке.
Отопление на отработанном масле для частного дома
Отработанное масло для обогрева изначально применяли вместе с соляркой. Такой способ доказал свою эффективность и экономичность. Тогда решили удешевить средство еще больше и убрали солярку из состава. Отработанное масло по своим характеристикам напоминает дизельное топливо, но стоит на порядок дешевле.

Фото 1. Так выглядит отработанное масло, которое используется для отопления. Жидкость тёмно-коричневого цвета.
Особенности использования
Отработку в качестве топлива используют в специальном котле или в печи. Только это гарантирует полное сгорание продукта без образования чадного дома. Переоборудование системы отопления или установка нового контура окупается в первый год использования средства.
Виды топлива. Сколько получают тепла при сжигании одного литра?
Сжигание одного литра такого топлива дает 10—11 кВт тепла в 60 минут. Продукт, подвергшийся предварительной обработке, обладает большей мощностью. Его сжигание дает на 25% больше тепла.
Разновидности отработанных масел:
- моторные масла и смазочные средства, используемые в различных видах транспорта;
- индустриальные продукты.
Плюсы и минусы

Плюсы топлива:
- Экономическая выгода. Деньги на топливе экономят потребители, но наибольшую выгоду получают предприятия. Реализация отработки избавляет от затрат на хранении, транспортировки и утилизации средства.
- Сохранение энергоресурсов. Отказ от использования для отопления газа и электроэнергии препятствует истощению источников.
- Защита окружающей среды. Из-за высокой стоимости утилизации, владельцы предприятий и транспортных средств избавлялись от масла, сливая его в водоемы или в грунт. Это негативно сказывалась на состоянии окружающей среды. С началом применения отработки в качестве топлива такие манипуляции прекратились.
Минусы топлива:
- представляет опасность для здоровья, если продукт сгорает не полностью;
- большие габариты дымохода — 5 м в длину;
- сложность поджига;
- плазменная чаша и дымоход быстро засоряются;
- работа котла приводит к сжиганию кислорода и выпариванию влаги из воздуха.
Как отрабатывают масло?

Отработку получают при сжигании любого вида масла, но для отопления помещения обычно используют средства нефтепереработки из двигателей внутреннего сгорания.
Также из индустриальных механизмов, компрессоров и энергетического оборудования.
Что не относится к подобному топливу?
Перечень продуктов, не относящихся к отработке:
- переработанные масла растительного и животного происхождения, которые используются для бытовых нужд;
- твердые отходы с отработкой;
- растворители;
- продукты, которые не подлежат такой же переработке, как отработка;
- нефтетопливо природного происхождения из разлива;
- другие неиспользованные нефтепродукты.
Изготовление котлов своими руками
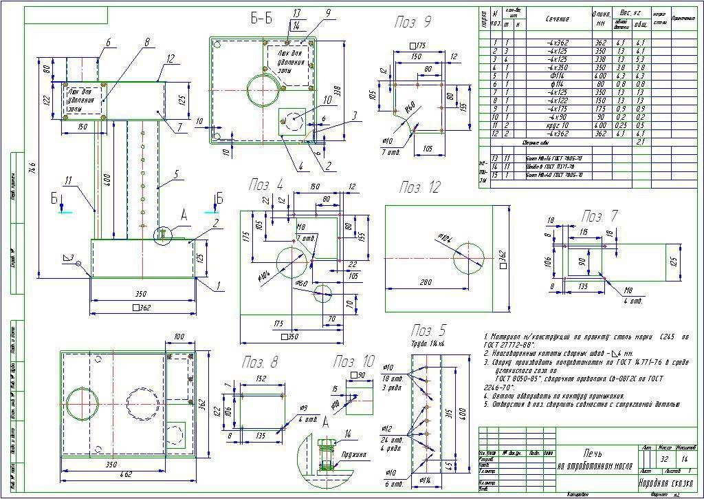
Изготовление котлов нужно начинать с точных расчетов технических параметров, необходимых размеров и используемых материалов. Чтобы котел работал эффективно и с максимальной отдачей, его изготовление своими руками должно быть выполнено только после того, как будут готовы все необходимые чертежи с указанием точных размеров и параметров всех элементов.
Также должна быть составлена подробная схема конструкции печи и помещения бани, для обеспечения надежности эксплуатации и безопасности ее обогрева. Чаще всего для такой конструкции используют металлические листы, но это могут быть газовые баллоны, стальные бочки и т. д. Изготовление котла своими руками должно учитывать нормы техники безопасности и производиться с соблюдением точных размеров, указанных на чертеже.
Котел должен быть полностью герметичным, чтобы максимально сохранялась целостность оборудования, соблюдались требования по технике безопасности. Устройство может быть установлено в любом месте, где требуется отопление и горячая вода. Часто котлы монтируются в качестве резерва для использования только при сильных морозах.
Современный котел отопления на отработке должен быть оснащен блоком защиты от перелива и закипания масла и насосом для перекачки отработки. Котел для бани, изготовленный своими руками, будет практичным и надежным только в том случае, если при его создании были учитены все эти рекомендации.
Отработку можно заливать в котел прямо во время горения, но во избежание пожара нужно внимательно следить, чтобы уровень топлива в баке был ниже, чем в самой печке. Рекомендуется чистить такой котел раз в неделю, в то время как газовая установка в чистке не нуждается.
Устройство самодельной печки на отработке
Создать простейшее отопление на отработке своими руками довольно просто. Отопительная печь на отработанном масле. представляет собой две емкости, которые соединены расположенной между ними трубой. Элементом конструкции также является дымоход, который предназначен для отвода продуктов сгорания.
Емкости обычно изготавливаются из 4-миллиметрового металла, а для изготовления крышки второй емкости подходит листовой металл толщиной 6 мм. Использование стали позволяет существенно повысить срок службы этой конструкции, поскольку слишком тонкий листовой металл будет очень быстро выгорать.
Диаметр соединяющей емкости трубы должен превышать 10 см, а его длина должна превосходить толщину как минимум в 4 раза. В боку трубы необходимо высверлить 48 отверстий, имеющих диаметр 9 мм. Как показывает практика, эти отверстия очень хорошо располагаются в шесть рядов, т.е. в каждом ряду находится восемь отверстий.
Дымоходная труба изготавливается из огнестойкой стали и располагается над верхней емкостью. Верхнюю часть трубы можно сделать из любого материала (жести, керамики), потому что газ, доходя до верхней точки дымохода, значительно остывает. Высота дымохода обычно колеблется в пределах от четырех до семи метров.
Для улучшения теплоотдачи стоит использовать дымоотвод, расположенный под небольшим углом, но верхняя часть должна быть расположена вертикально, что ветер не мог препятствовать выходу дыма. Для защиты от осадков можно установить на трубу зонтик или козырек. Собирая дымоходную трубу, необходимо учесть тот факт, что ее в дальнейшем необходимо будет регулярно очищать от оседающих элементов, поэтому дымоотвод лучше всего сделать разборным.
К крышке приваривается соединительная труба, к которой, в свою очередь, будет прикрепляться верхняя емкость. Дымоход подключается именно к верхней емкости в том месте, которое было для этого предусмотрено. Отверстие в крышке должно быть оборудовано заслонкой, которая при работающем устройстве будет влиять на интенсивность горения. Кроме того, эта заслонка позволяет уменьшить количество копоти, которое выделяется из дымохода. Отверстие, просверленное в нижней емкости, будет использоваться для заливания масла, розжига печки и регулирования тяги.
Конструкция очень проста, и такое отопление на отработке своими руками возводится без особых усилий. Компактный размер и удобная форма позволяет сделать такую печку «выездной», что дает возможность использовать ее, например, для отопления теплицы на даче. Горячий воздух выходит через отверстия, просверленные в соединительной трубе, а его температура может достигать 90-95 градусов по Цельсию. К тому же, нагрев такой печки происходит довольно быстро.
Виды печей на отработке
Прежде чем изготовить котел на отработке своими руками, необходимо выбрать вид прибора. Все котлы на отработке можно разделить на три группы, различающиеся конструктивными особенностями:
- Простая пиролизная горелка. Простые горелки делают из листового металла или готовых ёмкостей (труб, бочек, баллонов). Представляют собой две закрытые ёмкости, соединённые перфорированной трубой. В нижней ёмкости залито масло, которое разлагается при недостаточном количестве кислорода. В верхней ёмкости его пары активно сгорают, выделяя большое количество тепла. Температура регулируется путём увеличения или уменьшения подачи кислорода.
- Модель с принудительной вентиляцией. Вентилятор, встроенный во второй модели обеспечивает подачу воздуха во вторую камеру. Процесс горения идёт эффективнее и тепло равномернее распределяется по помещению.
- Модель с капельной подачей топлива. Принцип работы горелки с капельной подачей схож с дизельными двигателями. Он самый экономичный, но сделать его своими руками гораздо труднее, чем первые два (выпускаются заводские агрегаты, рекомендуется покупать их, а не пытаться сделать прибор самостоятельно). Учитывать нужно также то, что капельные модели привередливы к качеству масла, которое придётся разогревать перед использованием для котла.
Если нужно сделать водяное отопление на печи с отработкой, нужно пропустить через верхнюю камеру 4-5 змеевиков, подключенных параллельно. Систему нужно будет дополнить циркуляционным насосом и вентилятором. Печь на отработке из газового баллона — чертеж
Самодельные печи на отработанном масле можно изготовить из газового баллона.
Стенки любого баллона достаточно толстые, чтобы выполненная из него печь, долго не прогорела.
К тому же, у баллона подходящая форма. Изготовить печь из баллона достаточно просто.
Рассмотрим подробно, как сделать самодельную печь на отработке и какие материалы для этого нужно приготовить.
Понадобится:
- Сам баллон (подойдёт любой: кислородный, углеродный, газовый). 50 л. в самый раз. Толщина стенок – до 1,5 см. Если толще – не будет прогреваться (т. е. температура будет недостаточной для правильного функционирования печи).
- Металлический лист, примерно той же толщины, что и баллон.
- Труба для дымохода. Диаметр см. Длина – 4 м.
- Труба для горелки: диаметр – 10 см, длина трубы – 20 — 35 см.
- Стальной уголок или трубка для ножек.
- Инструменты: сварка, болгарка, дрель, уровень, рулетка.
Перед началом работы с газовым баллоном его «освобождают» от остатков газа: выкручивают вентиль, несколько раз промывают на открытом воздухе.
Схема устройства котла на отработанном масле
Затем надёжно фиксируют (например, вкопав в землю), заполняют ёмкость водой и начинают резать.
- Нижняя часть – это нижняя камера сгорания. Её высота может быть около 15-20 см. Примерно такого же размера и верхняя камера сгорания.
- К нижней камере привариваются ножки из уголка или трубки.
- Внутри верхней камеры, к крышке приваривается перегородка. Располагают её ближе к месту, где будет дымовая труба (она нужна, чтобы задерживать в камере горячий дым).
- Из металлического листа вырезаются два круга. Первый будет съёмной крышкой нижней камеры, а второй приваривается, как дно верхней камеры.
- В обоих кругах, делаются отверстия 10 см, для нижней камеры по центру, для верхней ближе к краю, (в соответствии с диаметром трубы для горелки). В нижней крышке также делается отверстие в 6 см, для воздуха и заправки масла. К нему должна прилагаться заслонка. Она должна плотно прилегать, но сдвигаться так же, как дверной глазок.
- В соединительной трубе для горелки сверлятся отверстия по 9 мм каждое. Всего – 48 отверстий (8 по кругу и 6 в высоту). Эта труба – камера дожигания. Здесь, горящие пары масла будут смешиваться с кислородом.
- После проделывания отверстий, внутренняя часть трубы шлифуется. Если этого не сделать на всех зазубринах будет быстро нарастать сажа.
- Приваривают соединительную трубу к подготовленным для неё отверстиям.
- В крышке от верхней камеры, делается отверстие, в которое будет устанавливаться дымоходная труба. В помещении допускаются небольшие наклоны для трубы, на улице же она должна быть строго-вертикальной. Нельзя делать трубу в горизонтальном исполнении – этой печи нужна хорошая тяга.
А вы знали, что основное отличие печи от котла в том, что первая изготавливается из камня, а котел — из металла? Котел для бани своими руками — виды нагревателей и способы изготовления котлов из металлической бочки и трубы.
Чертежи для изготовления печей длительного горения вы найдете тут. Как топить и какое топливо использовать.
Конструкция и чертежи отопителя
Мастера, занимающиеся изготовлением котлов на отработанном масле, применяют на практике 3 способа сжигания отработки:
поверхностное горение с пиролизным дожиганием в перфорированной трубе и вторичной камере;
использование горелок Бабингтона и других самодельных конструкций;
сжигание в пламенной чаше, подача топлива организована капельным методом, воздух нагнетается принудительно.
Способы сжигания отработанных масел в самодельных обогревателях – пиролизное горение, пламенная чаша, горелочное устройство Бабингтона
Первый вариант реализован в знаменитой гаражной печке, состоящей из 2 камер, соединенных вертикальной перфорированной трубой. Второй метод мы подробно описали в соответствующей публикации – изготавливается горелка Бабингтона и встраивается внутрь корпуса стального котла, ранее работавшего на дровах.










Мы предлагаем остановиться на третьем варианте – печи-капельнице, переделав ее в двухоборотный (правильное название — двухходовой) водяной котел. Ниже на чертеже представлена базовая версия данной печки, изготовленная из трубы Ø219 мм. Почему новичкам рекомендуется взять за основу капельный принцип работы отопительного агрегата:
- Устройство масляных горелок довольно сложное. Для сборки требуется некоторый опыт и финансовые вложения (например, для «Бабингтона» придется купить компрессор).
- Отопители поверхностного горения пожароопасны (стреляют пламенем при попадании воды в топливо). Оснастить чудо-печку водяной рубашкой – задача непростая.
- Расход топлива при поверхностном сжигании непомерно велик – до 2 литров отработки за 1 час.
- По отзывам на форумах, капельницы надежны и способны работать без автоматики (правда, хозяину придется уделять котлу некоторое время, чтобы приноровиться к ручному управлению). Агрегат относительно прост в изготовлении.
Печь-капельница — прототип двухходового водогрейного котла для сжигания жидких видов топлива
Схема жидкотопливного котла
Представленную на чертеже схему капельницы нужно переделать, поскольку вместе с жаротрубным теплообменником конструкция не поместится внутрь газового баллона — придется искать большую трубу диаметром 400 мм. Габариты теплогенератора можно уменьшить без потери мощности (15—20 кВт) следующим образом:
дожигатель смастерить из трубы DN40, изменив количество и диаметр отверстий (точнее указано на чертеже);
для камеры сгорания возьмите трубу DN150;
водяную рубашку сварите из двух газовых баллонов из-под пропана;
теплообменник – минимум 8 жаровых труб Ø32 мм;
размер чаши – по камере сгорания (DN150);
высота от края дожигателя до дна чаши – 6.5—7 см.

Как устроен двухоборотный котел, действующий на отработанном масле, показано на чертеже. Отличие от простой капельницы заключается в жаротрубном теплообменнике, размещенном между стенками камеры сгорания и наружной обшивкой. Соответственно, патрубок дымохода переместился в нижнюю зону корпуса.
Принцип работы агрегата
Этот раздел предназначен для новичков, кому раньше не приходилось заниматься отопительным оборудованием на жидком топливе – отработке либо солярке. Представленный на чертеже котел работает по следующей схеме:
- По трубке, проходящей внутри дожигателя, течет отработанное автомобильное масло. Способ подачи – самотеком или с помощью насоса.
- Воздух в зону горения нагнетается электрическим вентилятором.
- Капли масла, падающие на дно раскаленной чаши, испаряются и сразу воспламеняются. Дожигание поднимающихся масляных паров происходит напротив всех отверстий, просверленных в центральной трубе.Схема сжигания отработанного масла в котле и движения дымовых газов через огнетрубный теплообменник
- Выделяющееся от пламени тепло напрямую передается водяной рубашке котла. Горячие дымовые газы, вытесняемые воздухом от вентилятора, проходят сквозь жаровые трубы, отдают часть теплоты и вылетают в дымоход.
Требования к установке и эксплуатации печи на масле
Требуется, чтобы печь находилась в пустом помещении, вблизи которого не должно быть легковоспламеняющихся поверхностей
Особое внимание уделяется аппаратам самостоятельного изготовления. Их нельзя ставить на полку или другую опору, которая может загореться. Самодельная печь на отработке должна располагаться на ровном основании, которое может быть бетонным или кирпичным
Необходимо, чтобы расстояние между аппаратом и стеной составляло не менее 1 м. Для образования хорошей тяги дымовая труба должна иметь длину больше 4 м. С внешней ее стороны следует предусмотреть утепление, чтобы исключить образование конденсата кислот
Самодельная печь на отработке должна располагаться на ровном основании, которое может быть бетонным или кирпичным. Необходимо, чтобы расстояние между аппаратом и стеной составляло не менее 1 м. Для образования хорошей тяги дымовая труба должна иметь длину больше 4 м. С внешней ее стороны следует предусмотреть утепление, чтобы исключить образование конденсата кислот.
В состав отработанного масла не должен попасть растворитель или другой легковоспламеняющийся элемент, поэтому такие компоненты должны находиться подальше от печи. Также недопустимо попадание влаги в емкость с маслом. Это приведет к воспламенению в печи. В случае аварийной ситуации для ликвидации огня следует воспользоваться огнетушителем.

Принцип работы печки с капельной подачей горючего схож с механизмом работы дизельных двигателей
Перед началом работы масло заливается в емкость в количестве, равном половине объема бака, что обеспечит необходимое пространство для образования паров. Чтобы пары обогатились кислородом, необходимо подождать некоторое время. Затем производят поджиг топлива с помощью длинных спичек. Как только начинается процесс возгорания паров, заслонка наполовину прикрывается.
Для повышения работоспособности мини-печи на отработке можно над верхней ее камерой установить герметичный бак с жидкостью. Для подачи и отвода воды к нему крепятся штуцеры, которые размещаются на разных уровнях. Другим вариантом повышения производительности является необходимая конвекция воздуха, что осуществляется с помощью вентилятора, располагающегося вблизи верхней камеры. Забирая теплый воздух от печки, он способствует ее охлаждению, что положительно сказывается на сроке эксплуатации аппарата.
Виды
Котлы на отработке подразделяются на пиролизные и турбогрелки.
Пиролизные
Это оборудование изготовлено из листовой стали с использованием стальных труб.
После изготовления, устройство покрывается жаропрочной краской. Все элементы составляют цельную конструкцию, где отсоединяется только крышка от камеры сгорания.
Конструкция устройства проста. В неё входят:
- блок управления;
- встроенный вентилятор;
- маслонасос выносной;
- камера сгорания с водяной рубашкой.
В устройстве отсутствует горелка.
Принцип действия таких аппаратов прост:
- В расходную ёмкость заливается отработанное топливо по шлангу, оно подаётся в специальную камеру.
- Испарительная камера, выполненная из толстой стали, нагревается до определённой температуры.
- По мере разогрева, масло начинает испаряться на дне. Выделяющийся пар поднимается в камеру сгорания.
- В её центре есть перфорированная труба, которая подаёт воздух из вентилятора.
- Масляные разогревшиеся пары смешиваются с кислородом и сгорают.
- В результате этого процесса нагревается водяная рубашка изнутри.
- Пары направляются в газотрубный теплообменник.
- Проходя сквозь водяную рубашку, пары немного остывают и подаются в помещение.
- Энергия передаётся теплоносителю. Сами продукты горения поднимаются по вентиляции и покидают помещение.
Важно! Основное отличие от других котлов на отработанном масле состоит в отсутствии горелок, что повышает надёжность использования, а также влияет на лёгкость эксплуатации. Конструкция очень компактная и проста в монтаже
Турбогорелки
Принцип работы похож на функционирование дизельных устройств. Он заключается в том, что топливо разбрызгивается и горит уже непосредственно масляный туман.
Фото 3. Схема устройства турбогрелки, работающей на отработке. Стрелками указаны составные части конструкции.
К отличительным чертам такого устройства относят чувствительность к качеству топлива. Если в его составе имеются различные примеси или вода, то горелка не стартует. Нужна хорошая электрическая мощность.
Это устройство действует по следующему сценарию:
- Масло заливается в специальный отсек.
- Под воздействием потока воздушных масс оно попадает в область непосредственного возгорания. Там уже имеется заданная температура.
- Происходит эффект пиролиза.
- Выделяются газообразные летучие продукты, которые смешиваются с кислородом и выходят из отверстия. Там же они сгорают.
- При этом смолистые продукты начинают накапливаться в отсеке.
- После того как отключается горелка, температура, достигшая максимума, сохраняется.
- Подача воздуха тоже не прекращается.
- Нелетучие продукты пиролиза сохраняются. Горелка очищается самостоятельно.
Все устройство состоит из твёрдых металлических сплавов. Сверху покрыто жаропрочной краской.




































